16-Mbit Static RAM Specification Sheet
Table Of Contents
- Features
- Functional Description
- Logic Block Diagram
- Pin Configuration
- Product Portfolio
- Maximum Ratings
- Operating Range
- Electrical Characteristics
- Capacitance
- Thermal Resistance
- Data Retention Characteristics
- Switching Characteristics
- Switching Waveforms
- Truth Table
- Ordering Information
- Package Diagrams
- Document History Page
- Sales, Solutions, and Legal Information

CY62167EV30 MoBL
®
Document #: 38-05446 Rev. *E Page 10 of 14
Ordering Information
Speed
(ns) Ordering Code
Package
Diagram
Package Type
Operating
Range
45
CY62167EV30LL-45BAXI 001-13297 48-ball VFBGA (6 x 7 x 1 mm) (Pb-free) Industrial
CY62167EV30LL-45BVI 51-85150 48-ball VFBGA (6 x 8 x 1 mm)
CY62167EV30LL-45BVXI 51-85150 48-ball VFBGA (6 x 8 x 1 mm) (Pb-free)
CY62167EV30LL-45ZXI 51-85183 48-pin TSOP I (Pb-free)
CY62167EV30LL-45ZXA 51-85183 48-pin TSOP I (Pb-free) Automotive-A
Shaded areas contain preliminary information. Please contact your local Cypress sales representative for availability of these parts.
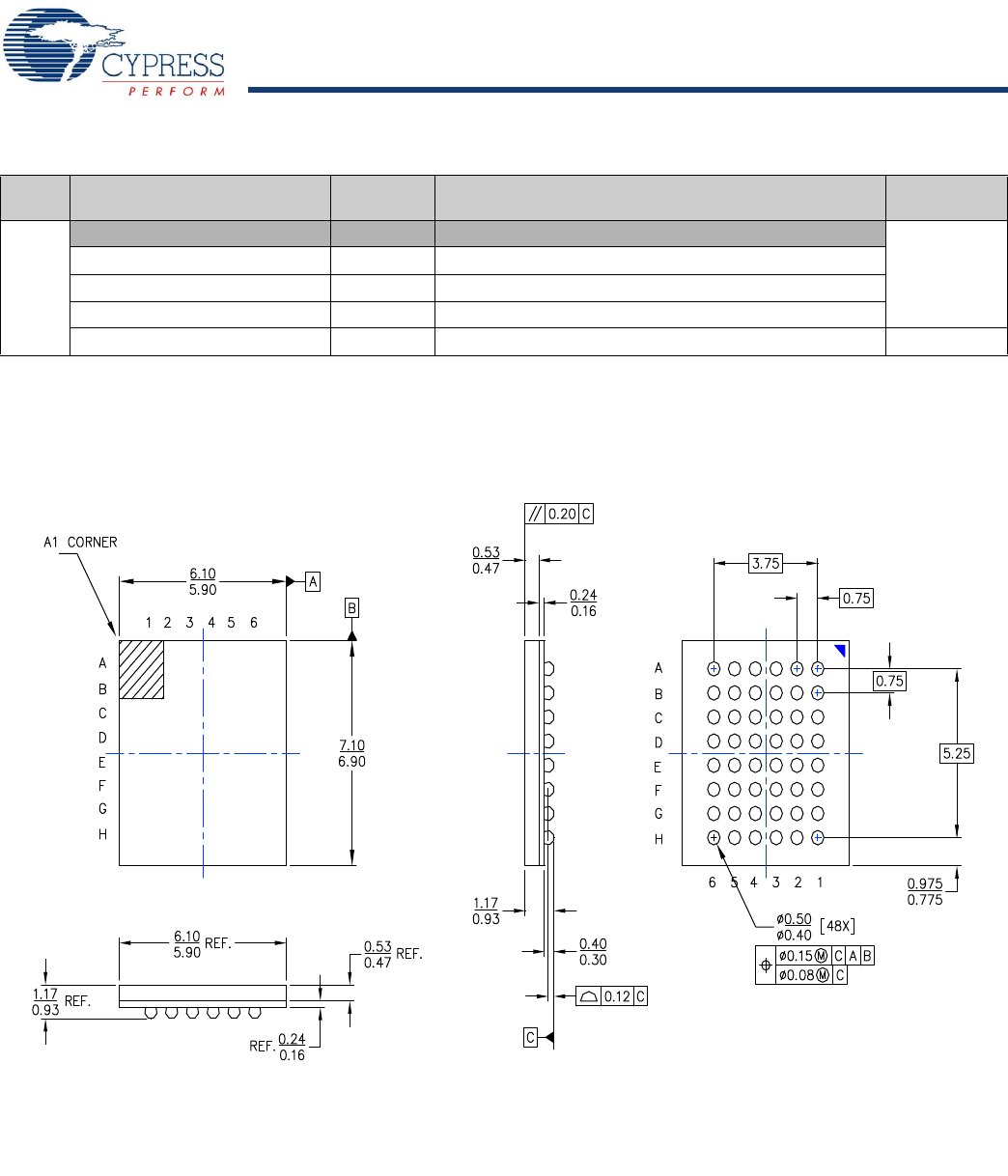
Package Diagrams
Figure 11. 48-Ball VFBGA (6 x 7 x 1 mm), 001-13297
NOTES:
1. ALL DIMENSION ARE IN MM [MAX/MIN]
2. JEDEC REFERENCE : MO-216
3. PACKAGE WEIGHT : 0.03g
001-13297-*A
[+] Feedback










