Replacement Part List
Manuals
Brands
Cub Cadet Manuals
Outdoors
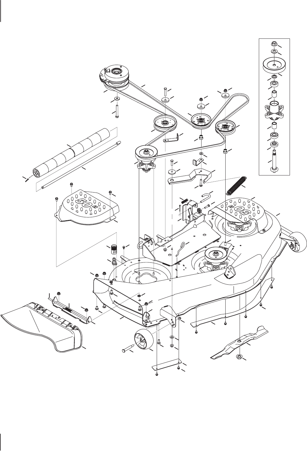
RZT S 50 in. 23 HP V-Twin Dual Hydrostatic Gas Zero-Turn Riding Mower with Steering Wheel Control
21
22
23
24
25
26
27
28
29
30
24
50
”
De
c
k
45
42
6
2
13
7
42
19
19
45
14
41
45
35
40
12
10
19
8
39
23
36
48
19
38
20
47
32
7
29
49
47
50
34
19
19
16
37
46
53
1
11
28
18
26
21
16
51
17
19
19
27
25
52
31
4
9
4
15
33
24
43
5
22
10
30
55
59
56
58
58
56
57
54
4
20
44
3
22
22
1
...
...
22
23
24
25
26
...
...
100