Replacement Part List
Table Of Contents

44
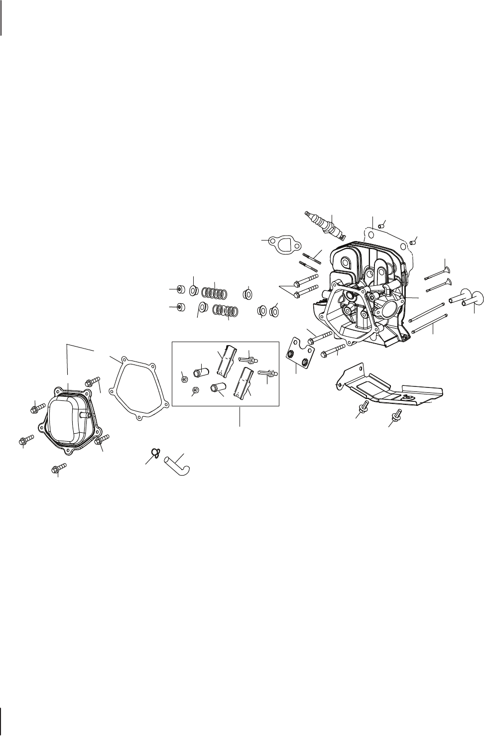
478-SUB Cylinder Head
Ref.
Part Number Description
101 951-1119 8 Valve Kit
103 951-11962 Tappet
104 951-1119 9 Push Rod Kit
105 951-11226 Cylinder Head Kit
(Incl .107,111,112 ,12 5)
951-11188 Cylinder Head Assembly
(Incl.101,102,105,107,
109-122,124,129-132)
106 715-04097 Dowel Pin 12×20
107 951-12076 Gasket, Cylinder Head
108 951-10292 Spark Plug/F6Rtc
109 951-11212 Exhaust Pipe Gasket
110 710-04964 Stud M8×48.5
110 951-11207 Muer Stud Assembly
111 710-04965 Bolt M10×1.25×80
112 951-11964 Valve Seal (Intake)
113 951-12077 Valve Spring Retainer(Intake)
114 951-12078 Valve Spring
115 951-12080 Valve Spring Retainer
116 951-12081 Exhaust Lash Cap
108
107
106
106
101
103
104
105
109
110
111
111
111
116
116
115
115
114
114
113
113
112
119
120
121
122
122
121
120
119
117
118
127
128
128
124
123
125
141
123
123
123
123
126b
126a
142 - Gasket Kit - Complete 143 - Gasket Kit - External 144 - Complete Engine










