Replacement Part List
Table Of Contents

24
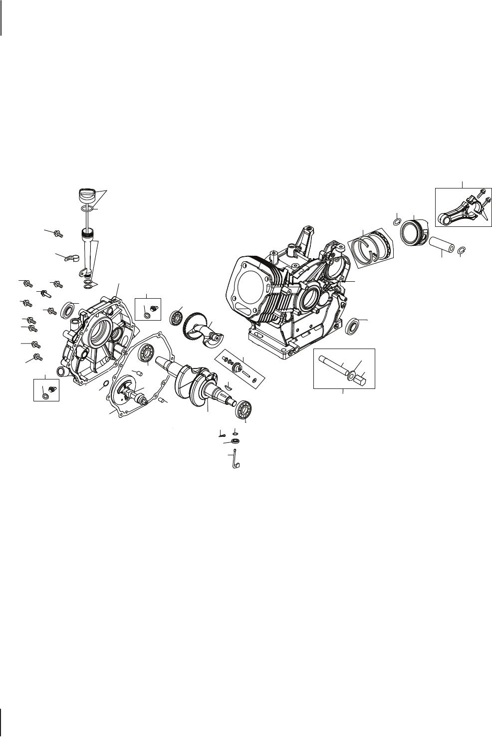
483-SUB Crankcase
Ref.
Part Number Description
40 951-11951 Connecting Rod Assembly
41 951-11952 Piston
42 951-11953 Piston Pin Snap Ring
43 951-11954 Piston Pin
44 951-12579 Piston Ring Set
48 951-11956 Governor Gear/Shaft Assembly
49 951-11373 Radial Ball Bearing
50 736-04453 Flat Washer
51 714- 04077 Governor Shaft Clip
52 951-11958 Governor Seal
53 951-11365 Governor Arm Shaft
54 951-11342 Crankshaft Kit
(Inc.49,54,55,65,81)
55 951-10307 Woodru Key
56 715-04102 Dowel Pin 9 X 12
57 715-04092 Dowel Pin 7 X 14
58 951-11959 Camshaft Assembly
59 951-11376 Crankcase Cover Gasket
60 736-04545 Washer
61 951-11345 Oil Fill Plug Assembly
62 951-11577 O-Ring
64 951-14220 Crankcase Cover
951-113 40 Crankcase Cover Kit
(Inc.49,59,60,64-68)
65 951-11375 Oil Seal
66 710-06061 Bolt M8×38
67 710-06062 Bolt M8×45
71
70
68
69
66
66
68
66
67
66
76
75
74
73
64
66
65
61
62
61
62
141
140
48
57
56
50
60
59
58
54
55
49
50
51
52
53
78
79
80
143
145 - Gasket Kit - External
146 - Complete Engine
144 - Gasket Kit - Complete
81
77
44
42
41
43
42
40










