Use and Care Manual

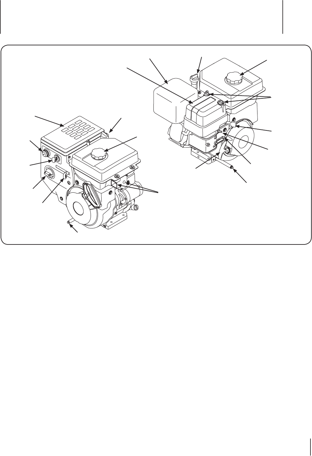
Controls and Features
4
9
Throttle
The throttle control is located on the rear of the engine. It
regulates the speed of the engine and will shut off the engine
when moved into the STOP position.
Choke
Activating the choke closes the choke plate on the carburetor
and aids in starting the engine.
Fuel Shut-Off Control
If equipped, is used for controlling the flow of fuel between
usage and transport/storage.
Primer Bulb
Pressing the primer bulb forces fuel directly into the engine’s
carburetor to aid in starting a “Cold” engine.
Oil Drain
Removing the oil drain plug will drain the oil from the engine.
Oil Filler Cap & Dipstick
Remove the oil cap to check the oil level and add oil.
Fuel Fill
Remove the cap to add fuel.
Electric Starter Inlet
Requires the use of a three-prong outdoor extension cord and a
120V power source/wall outlet.
Recoil Starter Handle
This handle is used to manually start the engine.
Electric Start Button
Pressing the button on the top of the electric starter switch
engages the engine’s electric starter when plugged into a 120V
power source.
Key
The key is a safety device. It must be fully inserted in order for the
engine to start. Remove the key when the snow thrower is not in
use.
Important: Do not turn the key in an attempt to start the
engine. Doing so may cause it to break.
Starter Handle
Primer
Bulb
Muffler
Muffler
Oil Drain
Air Filter Cover
Electric Inlet &
Starter Button
Air Filter
Thumb Screws
Oil Drain
Fuel Fill
Fuel Fill
Oil Fill/Dipstick
Oil Fill/Dipstick
Fuel Shut-Off
Control
Choke
Choke
Key
Throttle
Throttle
Figure 4-1










