Stereo Amplifier User Manual

7
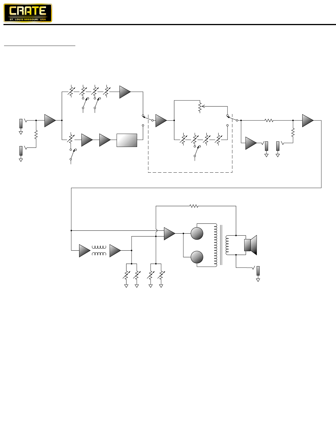
System Block Diagram:
HI
INPUT
STAGE
TRBL MID BASS GAIN
GAIN
CONTROL
BRIGHT
EXTERNAL
SPEAKER
LOW
RTRNSEND
GAIN
STAGE
GAIN
STAGE
GAIN
STAGE
GAIN
STAGE
TONE
SHAPING
MSTR
VOL.
MIDTRBL BASS
MSTR
VOL.
EFFECTS
DRIVER
EFFECTS
RETURN
MID
BOOST
MID
BOOST
LOW
BOOST
REVERB
SEND
REVERB
RETURN
REVERB
LEVELS
PRESENCE
SPEAKER
DRIVER
OUTPUT
STAGE
OUTPUT
TRANSFORMER
VC-6112/6210/6212 Amplifier








