Instructions

3ème étape : Connexion / Mise en marche
2.1 Une fois le montage terminé, procédez à une vérification d’ensemble
afin de détecter les erreurs de montage. (joint à braser , pontage).
Assurez-vous que le kit soit toujours alimenté par une tension
filtrée générée par une alimentation ou une pile capable de fournir
et de pose de composants échappent à notre contrôle et ne peuvent par
conséquent engager notre responsabilité.
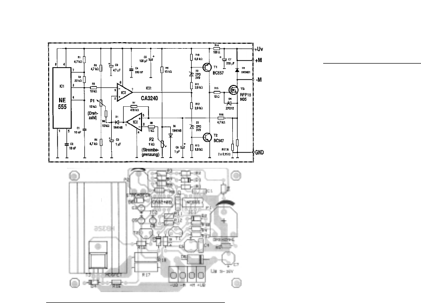
Description du circuit :
En réalité il s’agit d’un " générateur " moteur et non d’un régulateur
centrifuge. Lors de la mise en marche, lui est appliquée une " valeur
prescrite " (par exemple : la vitesse de rotation), et détermine ensuite
le circuit de lui même.
Un régulateur fonctionne différemment, car il compare constamment la
valeur prescrite et la valeur instantanée et équilibre les éventuelles diffé-
rences. Le régulateur essaie d’annuler les erreurs de réglage.
On peut modifier la puissance de courant consommée par les moteurs
ou les ampoules, en jouant sur le courant consommé.
La commande de largeur d’impulsion est une méthode beaucoup plus
efficace, qui consiste à commander la charge électrique. Elle permet de
mettre en marche/arrêt rapidement et de façon successive l’alimentation
et de varier la durée des impulsions. (taux d’impulsions). Le dosage de
puissance ne résulte donc pas de la modification de la tension (la puis-
sance demeure inchangée), mais de la variation en % de la durée de
connexion. La puissance est donc maximale lorsque la durée de
connexion est de 100%, et nulle lorsqu’elle est de 0%. On retrouve entre
0 et 100% toutes les valeurs intermédiaires possibles.
On peut fabriquer un signal rectangulaire avec un taux d’impulsions de
différentes façons, par exemple avec 2 bascules monostables. Nous
avons procédé d’une manière différente, qui consiste à combiner tech-
nique analogique et technique numérique.
Ces 2 procédés ont pour base le timer NE555. Il sert ici de mutlivibrateur
avec env. 3 KHz (signal rectangulaire à la sortie Q { broche 3}, que nous
n’utilisons pas ici. Cette oscillation de bascule se produit lorsque l’on
charge et décharge le condensateur C1, dont la tension de charge se
déplace de 33… à 66 % à l’intérieur de la tension de fonctionnement.
(triangle approximatif).
Cette tension Delta arrive par R3 à l’entrée d’un amplificateur opéra-
tionnel (broche 6 de CI2). L’autre entrée (broche5) est alimentée par une
tension que fournissent le potentiomètre P1 et l’impédance R6.
18 7
Refroidisseur
Régulateur










