Datasheet
Manuals
Brands
CONRAD COMPONENTS Manuals
Low Voltage Connectors
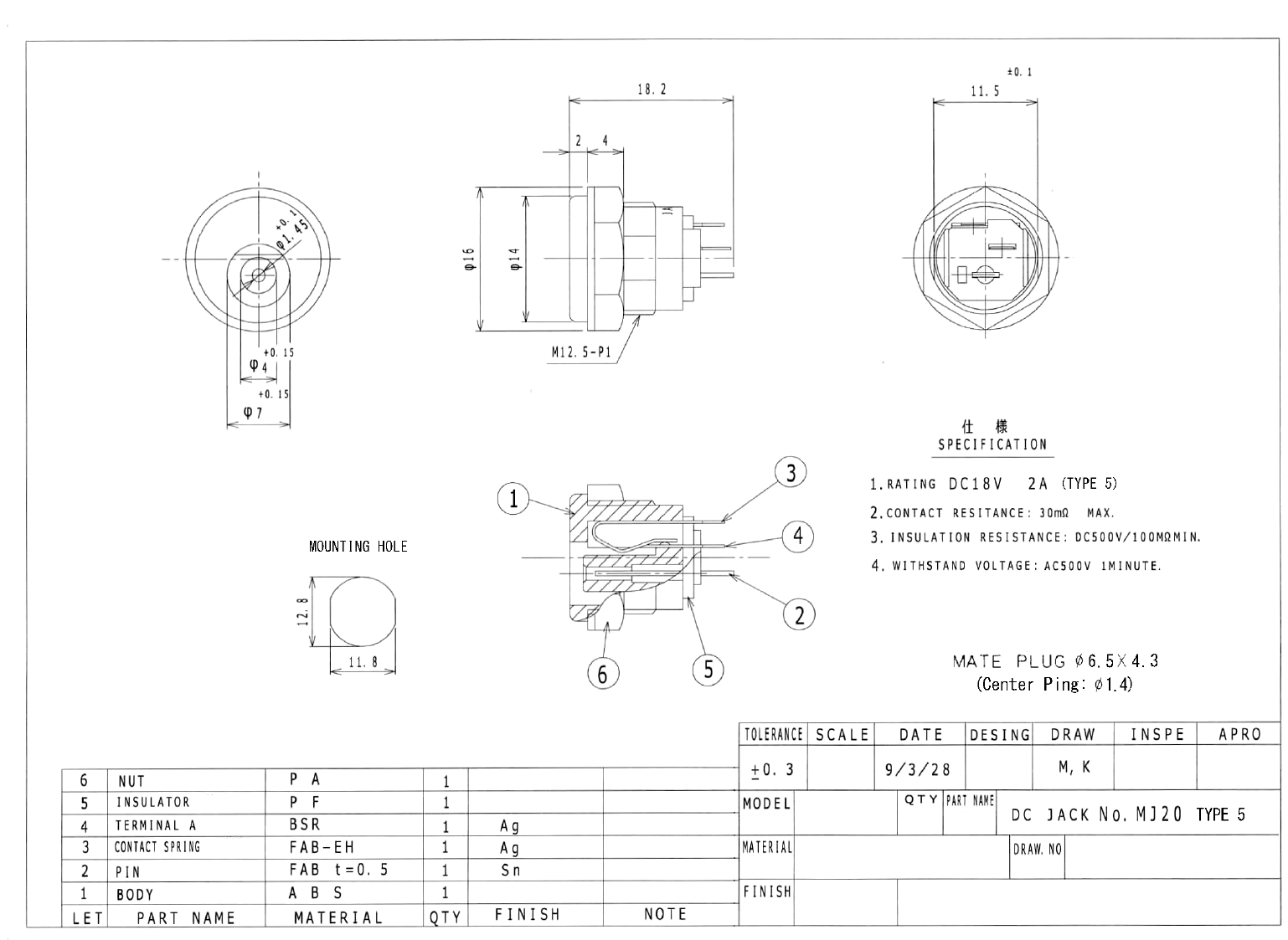
Low power connector Socket, vertical vertical 7 mm 1.45 mm 1 pc(s)
1
Distributed by Conrad Electronic
SE, Hirschau, Germany
1
Summary of content (1 pages)
PAGE 1
Distributed by Conrad Electronic SE, Hirschau, Germany