Datasheet
Manuals
Brands
CONNFLY Manuals
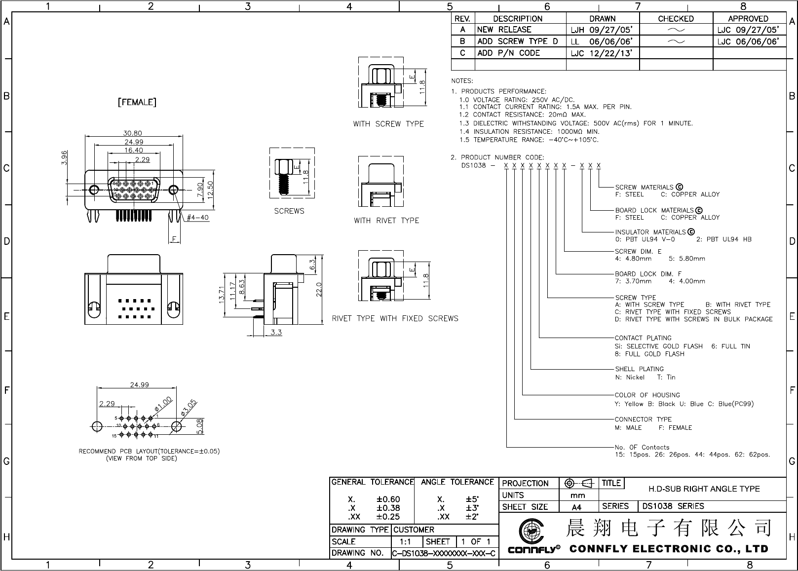
D-SUB Connectors
D-SUB receptacles 90 ° Number of pins: 15 Print 1 pc(s)
1
1
Summary of content (1 pages)
PAGE 1