Datasheet
Manuals
Brands
CONNFLY Manuals
PCB Connectors
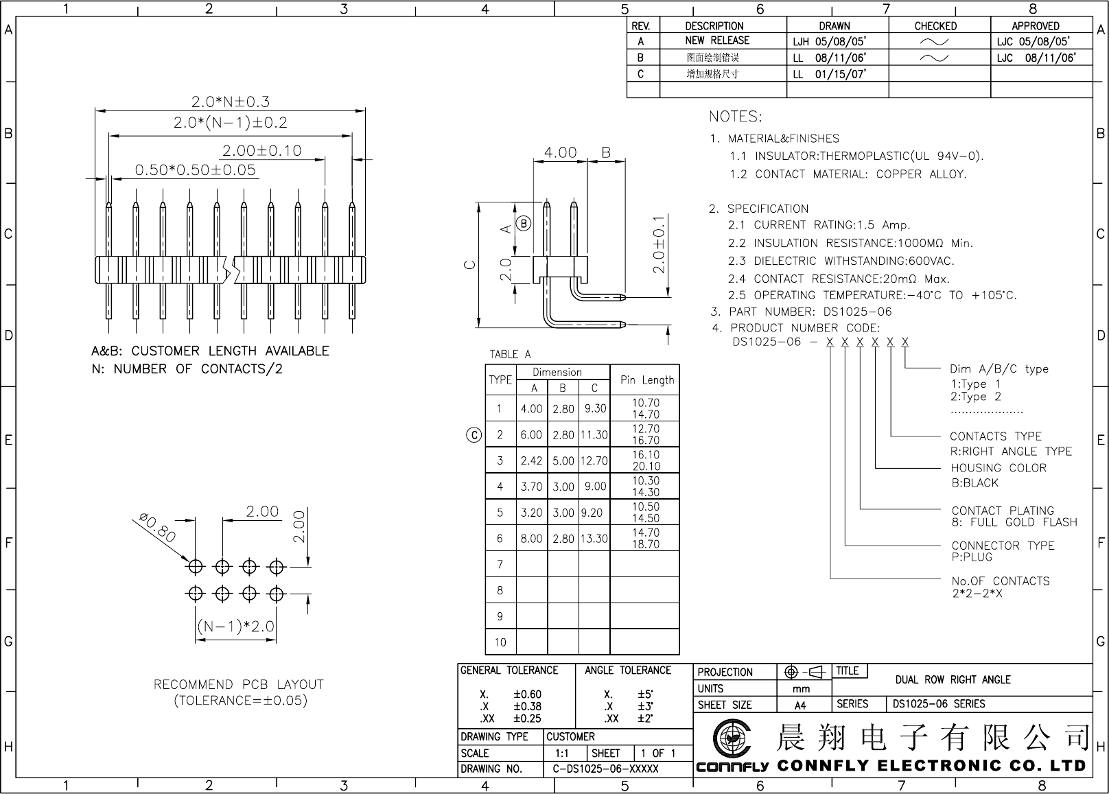
Pin strip (standard) No. of rows: 2 Pins per row: 20 1 pc(s)
1
1
Summary of content (1 pages)
PAGE 1