User manual
Table Of Contents
- Table of Contents
- Installation
- Operation
- Cleaning
- Service Parts
- 20.20 Gas Generator with Cleaning
- 20.20 Gas Injection with Cleaning
- Component Panel, Gas (OGB 20.20)
- Control Panel, with Picto (all models)
- Outer Base (OGB 20.20)
- Water Hose System, Condenser (all models)
- Water Valve (all models)
- Water Valve (OGB 20.20)
- Water Valve (OGS 20.20)
- Burner Insert, HL, Pre-mounted (all Gas models)
- Burner Insert, Air, LP & Natural Gas (all Gas models)
- Pump, Steam Generator, Gas, 110V (all Gas models)
- Door (20.20 models)
- Sliding Plate (all models)
- Exterior Sheeting (all models)
- Maintenance

24 VAC
120VAC
-T1
RECIEVE
TRANSMIT
12V
GND
6
8
7
5
MOTOR DRIVE
2A
RD
-Z1
L1
N
N
L1
FAN
GND
RxD
12V
COM
TxD
V2/WH
W2/YE
U2/RD
-U10.2
SH
GND
M 3~
CONVECTION
V1/BU
U1/BK
W1/BN
-M2
-A20:X25
0 24
24 VAC
110/120 VAC
MOTOR SPEED M1
12v(FOR SENSOR)
-BM1.2
RPM
BN
RD
BK
SENSOR
GND M1
7
5
8
CONTROL
POWER
-S1
20A
-F10.2
-F1.1
HOT AIR
RECIEVE
4
12V
2
TRANSMIT
GND
3
1
M 3~
-U10.1
MOTOR DRIVE
W2/YE
V2/WH
U2/RD
-M1
V1/BU
W1/BN
FAN
U1/BK
CONVECTION
L1N
24 VAC
0
24 VAC
120VAC
24
-T3
HOT AIR
/8.D8
/9.B5
GND M1
RPM
SENSOR
9
BN
MOTOR SPEED M1
-BM1.1
11
10
BK
RD
12v(FOR SENSOR)
-A10:X15
-A20:X26
/8.A8
/8.B8
-A20:X26
-N22-N20
22 21
-B7.1
-K0
A1A2
UPPER LOWER
LOWER
UPPER
N
L1
-Z2
N
L1L1
N
LINE
FILTERS
F
E
D
C
B
A
12345678
F
E
D
C
B
A
12345678
CLEVELAND RANGE, LLC
1333 East 179th St., Cleveland, Ohio 44110-2574
VOLTAGE:
WATTAGE:
CURRENT:
DATE
SHEET OF
REV
DRAWN BY
DRAWING NO.
THIS DESIGN DESCRIBES A PROPRIETARY ITEM AND IS THE PROPERTY OF CLEVELAND RANGE.
THIS DRAWING IS NOT TO BE COPIED OR USED WITHOUT THE APPROVAL OF CLEVELAND RANGE.
TITLE
SIZE
B
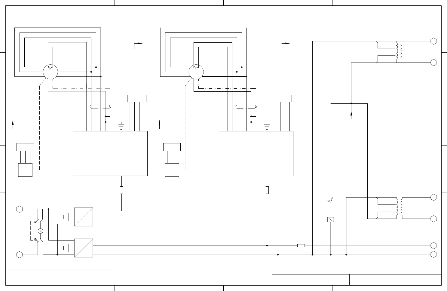
WIRING DIAGRAM
OGS 20.20
300498
110-120
-
22.5A
DRL
12-02-05
79
A
LADDER DIAGRAM
UVWP1P2
GND L1 L2
SH
GND
GND
RxD
12V
COM
TxD
20A
-F10.1
UVWP1P2
L1 L2
/9.D6
-A10:X11:8
71










