Operating Instructions and Installation Instructions
Manuals
Brands
Cleopatra Manuals
Household
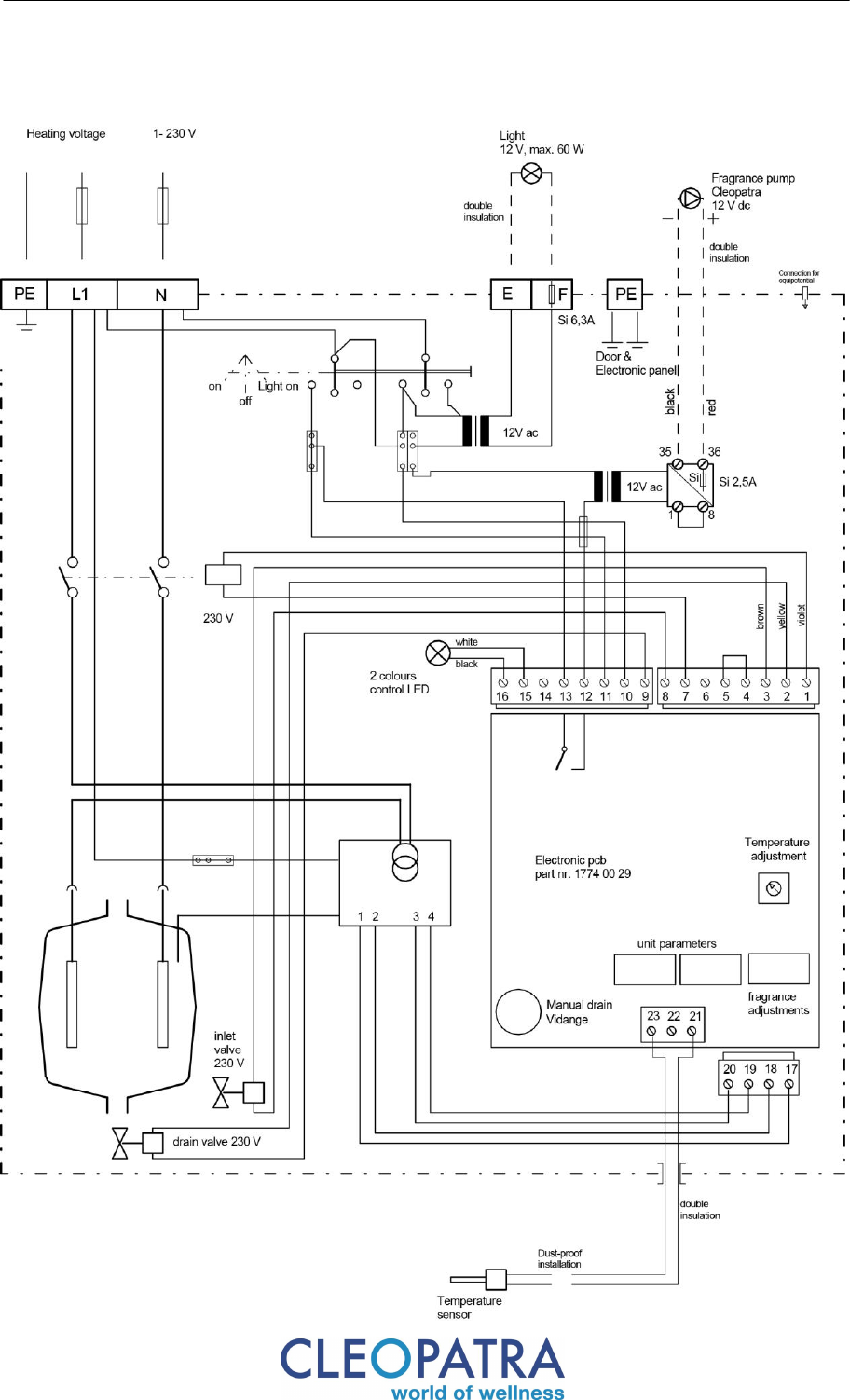
Cleo Basic 422
21
22
23
24
25
26
27
28
29
30
30
E
l
e
k
t
r
i
s
c
h
s
c
h
e
m
a
C
l
e
o
B
a
s
i
c
4
2
2
A
l
l
e
w
e
r
k
z
a
a
m
h
e
d
e
n
m
o
e
t
e
n
v
o
l
g
e
n
s
d
e
p
l
a
a
t
s
e
l
i
j
k
e
v
o
o
r
s
c
h
r
i
f
t
e
n
u
i
t
g
e
v
o
e
r
d
w
o
r
d
e
n
1
...
...
28
29
30
31
32
...
...
46