Operating Instructions and Installation Instructions

24
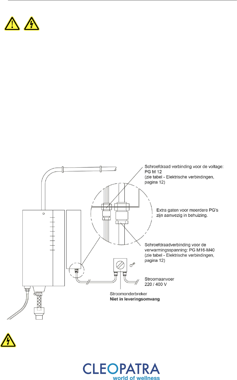
Installatie
Het aansluiten van de stroomaanvoer
Schakel voorafgaand aan de werkzaamheden de stroom uit.
Lokale voorschriften moeten worden nageleefd. De stoomgenerator dient in de
daarvoor bedoelde ruimte te worden geïnstalleerd. Bij de installatie moet een
meerpolige werkschakelaar worden ingebouwd met een contactafstand van minimaal 3
mm. De elektriciteitsaanvoer moet worden voorzien van een stroomonderbreker met
een maximum van 30 mA. Onderdelen die een hoger voltage hebben dan 12 V moeten
buiten handbereik van personen gemonteerd worden wegens veiligheidsoverwegingen.
De stoombad generatoren behoren tot ''Beschermingsklasse I'' (elektrische apparaten)
en dienen aangesloten te zijn via een aardlekschakelaar. De stoomgenerator moet, net
als alle apparaten uit klasse I volgens de juiste voorschriften zijn aangesl oten.
Het elektriciteits schema is bijgevoegd. Alle verbindingen moeten volgens dit schema
worden gemaakt waarbij alle regionale en nationale voorschriften worden nageleefd.
Het werk mag alleen uitgevoerd worden door een daarvoor bevoegde elektricien.
Externe apparaten dienen op de daarvoor bestemde aardingspunten aangesloten te
worden. Er zijn aardingspunten op de stoomgenerator, de stoominlaat en de Climate
Control.
In het elektrisch schema is de maximale aansluitwaarde van externe componenten
weergegeven. Deze waarden mogen niet worden overschreden.
Er mogen geen aanpassingen aan de originele bekabeling worden uitgevoerd. Externe
componenten mogen alleen aan de daarvoor bestemde klemmen worden aangesloten.
Na de installatie van Elektronica, stoom en water dient er een elektronische test
uitgevoerd te worden volgens de VDE0100T01 / EN60335-2-105 en de BGV A3
normen. Deze test moet gedocumenteerd worden.