Operating Instructions and Installation Instructions
Manuals
Brands
Cleopatra Manuals
Household
Cleo Basic 1534
31
32
33
34
35
36
37
38
39
40
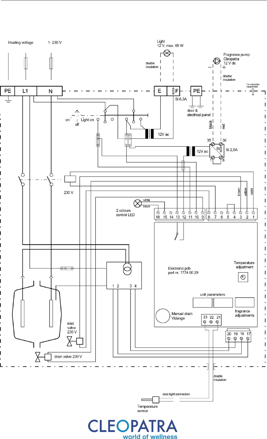
31
E
l
e
k
t
r
i
s
c
h
s
c
h
e
m
a
C
l
e
o
B
a
s
i
c
8
3
4
&
1
5
3
4
A
l
l
e
w
e
r
k
z
a
a
m
h
e
d
e
n
m
o
e
t
e
n
v
o
l
g
e
n
s
d
e
p
l
a
a
t
s
e
l
i
j
k
e
v
o
o
r
s
c
h
r
i
f
t
e
n
u
i
t
g
e
v
o
e
r
d
w
o
r
d
e
n
1
...
...
29
30
31
32
33
...
...
46