User Manual
Manuals
Brands
Circuit Design Manuals
Electronics
UHF narrow band multi channel receiver
11
12
13
14
15
16
17
18
19
20
OPERA
TION GUIDE
.
OG_CDP-02E-R-457M_v1
1e
Circuit Design, Inc.
13
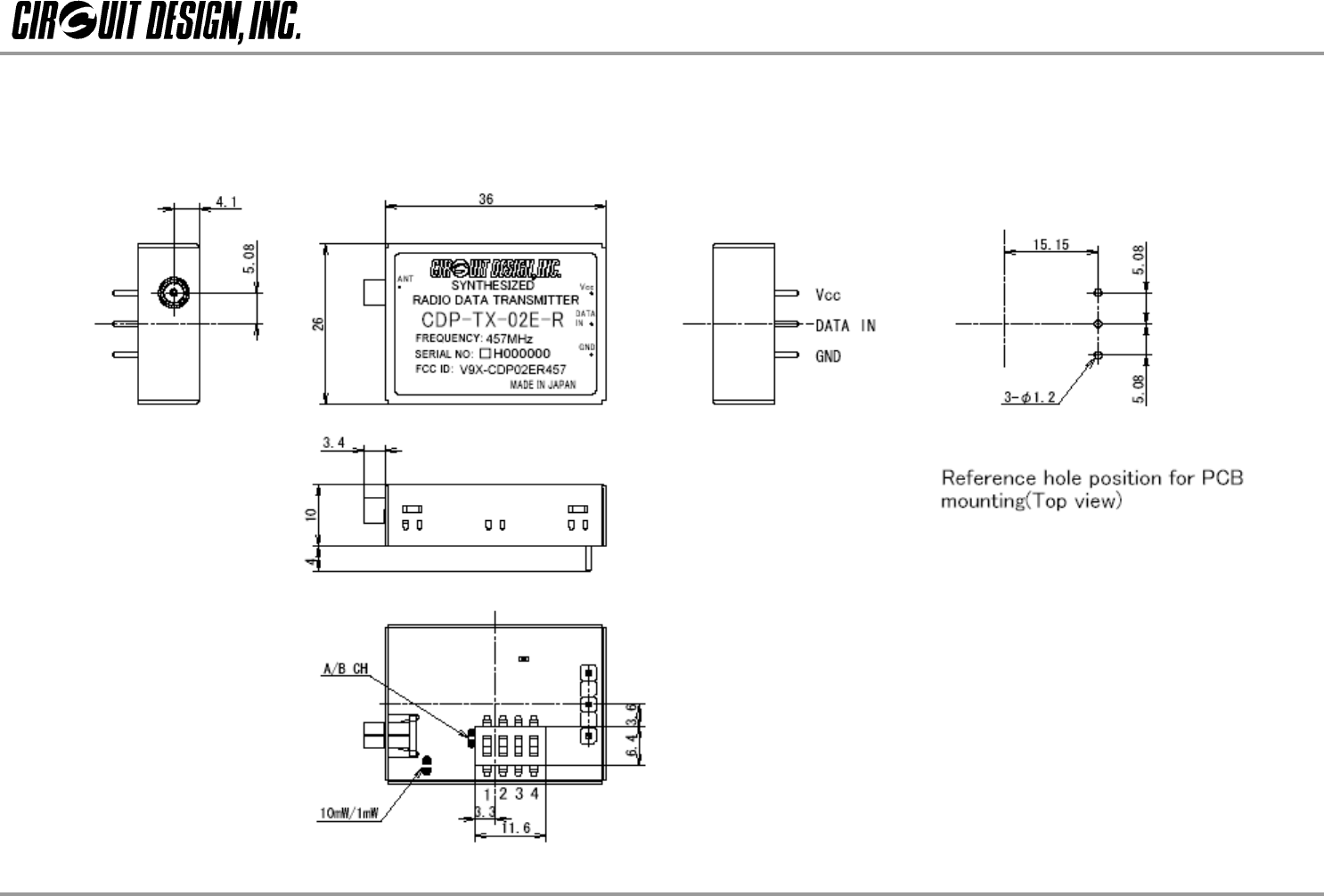
DIMENSIONS
<CDP-TX-02E-R>
1
...
...
11
12
13
14
15
...
...
20