Operators Manual
Manuals
Brands
Champion Power Equipment Manuals
Hoist
12090
11
12
13
14
15
16
17
18
19
20
15
ENGLISH
12
0
9
0
S
PEC
I
F
ICAT
ION
S
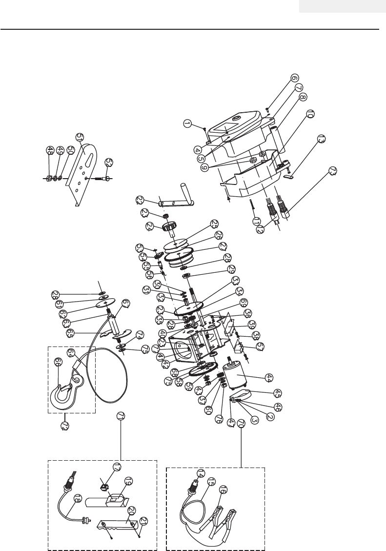
Part
s Di
agram
1
...
...
16
17
18
19
20