User's Manual
Manuals
Brands
Champion Industries Manuals
Dishwasher
Champion Industries DH5000 Single Source Gas
111
112
113
114
115
116
117
118
119
120
Table Of Contents
DH5000_FC_060115
DH5000_iiv_060115
DH5000_130_060115
DH5000_31106_060115pdf
DH5000_107114_061115
108
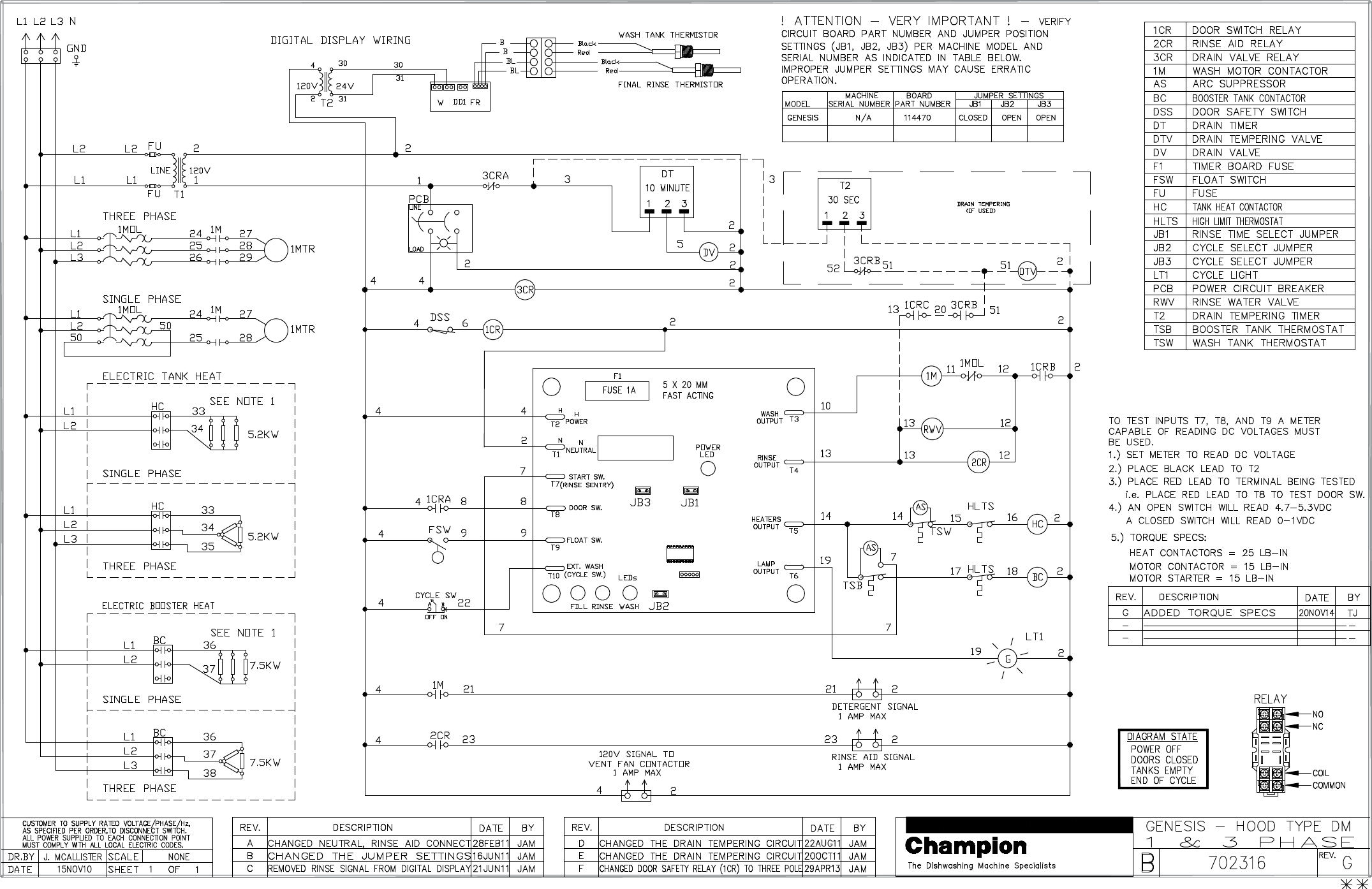
Standard Model DH5000 Electrical Schematic
1
...
...
114
115
116
117
118
...
...
122