Instruction manual

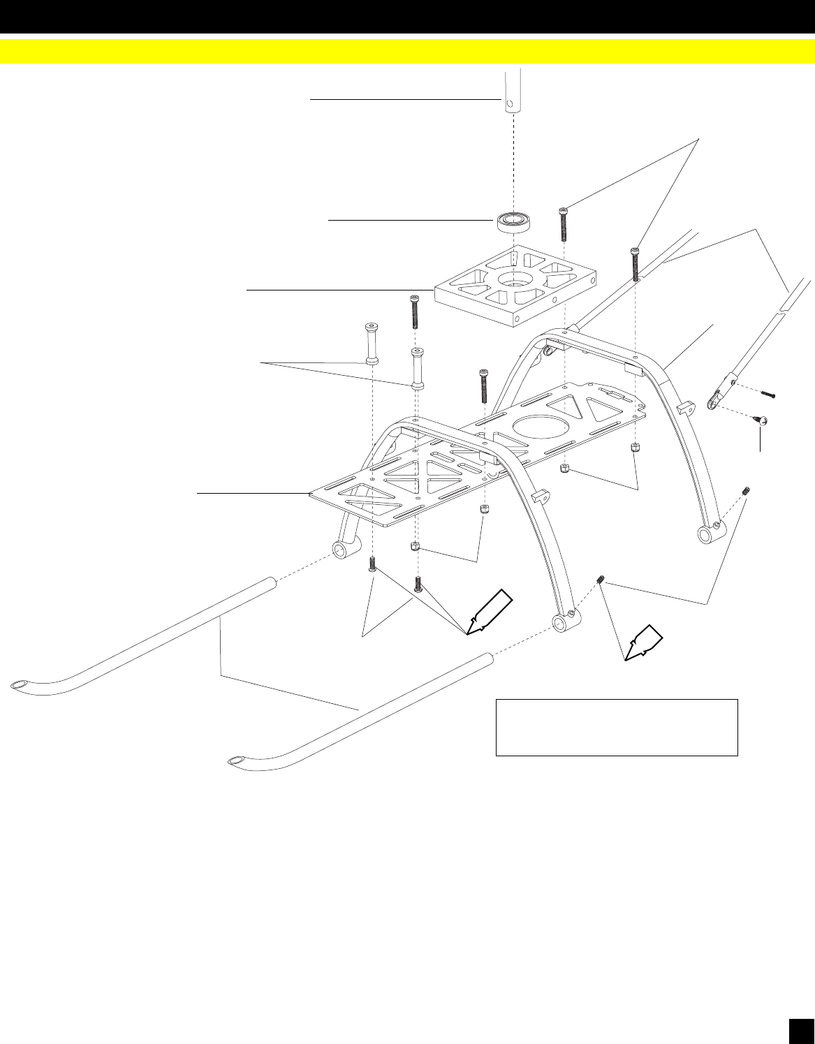
Cap Screw M3X18
(CNM3X18CS)
Set Screw M3X4
(CNM3X4SS)
Landing Skids
(CNE513)
Hint: Place strut into a cup of warm water, if
skid does not slide through the hole of the strut.
*Apply light CA to M3X4 set screw.
CF Battery Support Plate
w/Integrated Switch Plate
(CNE514A)
M3 Locknut
Landing Gear Assembly
6. Assembly Instructions
CA
M3 Locknut
THREAD LOCK
B
Landing Struts
(CNE512)
CNC Plate Standoffs
(CNE585A)
Bearing 10x18x5
(CNBB1019)
Main Shaft
(CNE508SLA)
Third Bearing Block
(CNE569)
Philips Self
Tapping Screw
Tail Boom Support Struts
(CNE534A)
Button Head Screw M3X6
(CNM3X6BHCS)
15










