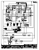
Corp. Coffeemaker User Manual
N
BLK
L1
N
4
2
3
1
3
1
4
2
COFFEE
DECAFF
DISPENSE
VALVE
..
SPEED
CONTROL
D.C.
AUGER
MOTOR
SPEED
CONTROL
D.C.
AUGER
MOTOR
WATER INLET
VALVE
VACUUM FAN
THERMOSTAT
HEATER SW
HI-LIMIT
DOOR UNIT
HEATING
READY
POWER
STOP SWITCH
RED
WHT
BLU
YEL
GRN
HOT WATER
HOT
WATER
VALVE
K3
K4
RINSE
M.M. 1 : 1
A
K2
RELAY
COIL
WATER LEVEL
PROBES
LIQUID LEVEL CONTROL
WATER
K1
RELAY
COIL
3
5
K1
RELAY
TEACH ME
TIMER
3
5
K2
RELAY
TEACH ME
TIMER
WARMER
3 PIN CONNECTOR
WARMER SWITCH
OPTIONAL










