Corp. Coffeemaker User Manual
N
BLK
L1
N
4
2
3
1
3
1
4
2
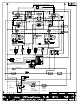
COFFEE
DECAFF
DISPENSE
VALVE-1
SPEED
CONTROL
D.C.
AUGER
MOTOR
SPEED
CONTROL
D.C.
AUGER
MOTOR
WATER INLET
VALVE
VACUUM FAN
THERMOSTAT HEATER SWHI-LIMIT
DOOR UNIT
HEATING
READY
POWER
STOP SWITCH
WARMER
3 PIN
CONNECTOR
RED
WHT
BLU
YEL
GRN
HOT WATER
HOT
WATER
VALVE
PROGRAMMING SW. CUP/ DECANTER
K3
K4
RINSE
K5
K5b
K5a
TEMP.
LOCKOUT
K2
RELAY
3
5
DUAL
TIMER
DUAL
TIMER
3
5
K1
RELAY
K2
RELAY
COIL
K1
RELAY
COIL
WARMER
SWITCH
WARMER
CUTOUT
SWITCH
OPTIONAL










