Instructions / Assembly

Page 21
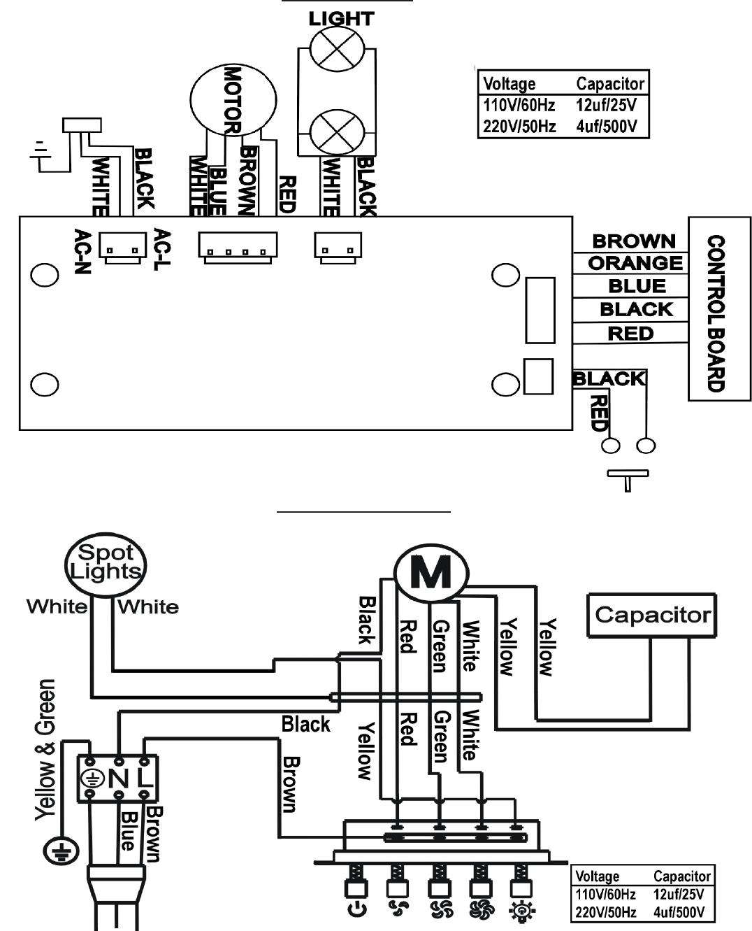
Circuit Diagram:
UC200-4100 Class
NOTE: Wiring Diagram shown above with GU10 light conî‚¿guration. A transformer is required for MR16/J4 Lights.
GREEN
UC200-18/19/2000 Class