User manual - fx-7400GII

аналогично режиму RUN • MAT (Глава 1). Строка вычисления и ее результат составляют набор
данных.
• Внимание: функция «вписать» не применяется к математическим строкам. Кнопки прокрутки
(◄►) появляются в левой и правой части строки вычисления, если часть вычисления не
помещается в область отображения строки вычисления. В этом случае, вы можете
использовать клавиши курсора влево-вправо для прокрутки вычисления.
●
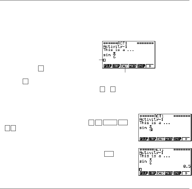
Ввести расчетную формулу в режиме eActivity
1. Переместите курсор в строку вычисления.
• Если курсор расположен в строке вычисления, в меню клавиши F3 отображается надпись
«CALC». Это означает, что активирован ввод выражений вычисления.
курсор математической строки
Меню клавиши
F3 изменится на «CALC».
• Если курсор находится в текстовой строке, в меню клавиши F3 отображается надпись «TEXT».
Нажатие
F3 (CALC) изменяет строку вычисления на текстовую строку.
• Если курсор расположен в полосе, используйте ▲ и ▼, чтобы переместить курсор к строке
вычисления.
• Выбор {INS} и затем {CALC} в меню функций вставляет новую строку вычисления над
строкой, где в настоящий момент располагается курсор.
2. Введите выражение вычисления (Пример: sin a
b
/
c
SHIFT EXP (π)
▼ 6 ).
• Ввод строки вычисления и операции редактирования
аналогичны операциям в режиме «натурализованного ввода» в
RUN • MAT.
3.
Для получения результата вычисления нажмите EXE.
●
Вычисления матриц с помощью редактора матриц
Выбор {►MAT} в меню функций отображает редактора матриц.
Операции редактора матриц и вычисления матриц в режиме eActivity практически идентичны
соответствующим операциям в режиме
RUN • MAT. Подробнее о редакторе матриц и
337










