Manual
Manuals
Brands
Campbell Scientific Manuals
Measuring instruments
CS547 Conductivity and Temperature Probe and A547 Interface
17
18
19
20
21
22
23
24
25
26
Table Of Contents
Revision and Copyright Information
Warranty and Assistance
Table of Contents
CS547 Conductivity and Temperature Probe and A547 Interface
1. Overview
1.1 EC Sensor
1.2 A547 Interface
2. Specifications
2.1 CS547 Probe
2.2 A547 Interface
2.3 Temperature Sensor
3. Installation
3.1 Site Selection
3.2 Mounting
4. Wiring
5. Programming
5.1 Programming Overview
5.2 Measurement Programming.
5.3 Correction of Ionization Errors in EC Measurement
5.4 Correction of Temperature Errors
5.5 Output Processing
6. Calibration
6.1 Conversion Factors
6.2 Typical Ranges
6.3 Factory Calibration
6.4 Field Calibration
7. Maintenance
8. Analysis of Errors
8.1 EC Measurement Error
8.2 Temperature Measurement Error
9. Deriving a Temperature Compensation Coefficient
10. Instruction 11 Details
11. Electrically Noisy Environments
12. Long Lead Lengths Temperature
13. CS547 Schematic
Campbell Scientific Contact Information
CS547 Conductivity and T
emperature Probe and A547 Interfac
e
19
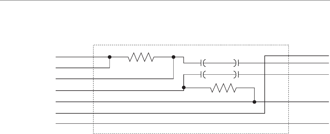
FIGURE 13-2. A547 Interf
ace Circuit Diagr
am
EX TEMP
EX COND
COND
TEM
P
SHIELD
EX COND
HI COND
LO COND
AG
SE TEMP
EX TEMP
SHIELD
Datalogger
Connec
tions
Sensor
Connec
tions
R2
1K
1K
R1
220µFD
+
220µFD
+
220µFD
+
220µFD
+
1
...
...
21
22
23
24
25
...
26