Operating instructions
Manuals
Brands
Cadence Manuals
Car Amplifier
ZRS C8
111
112
113
114
115
116
117
118
119
120
I
SÎ
R.F
AMPLIFIER
vl
lL4
crl
.OI
UF
?O
R.F
ATPLTFIER
v2
tL4
sl
s€cr
5
REAR
ctB
t4-200
sl
SECI
5
FROî{f
s2
sEct.3
REAR
ru
ii:r,r
-
RI
I
MEG
-l
-
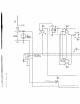
Figure
4s.
Radi.o
Receúter
R-174/URR,
r-f
arnplífi.ere,
lor
band
1,
functí.onnl
schemotíc.
1
...
...
112
113
114
115
116
...
...
130