2D CAD
Manuals
Brands
CABLEDECONN Manuals
Cables & Interconnects
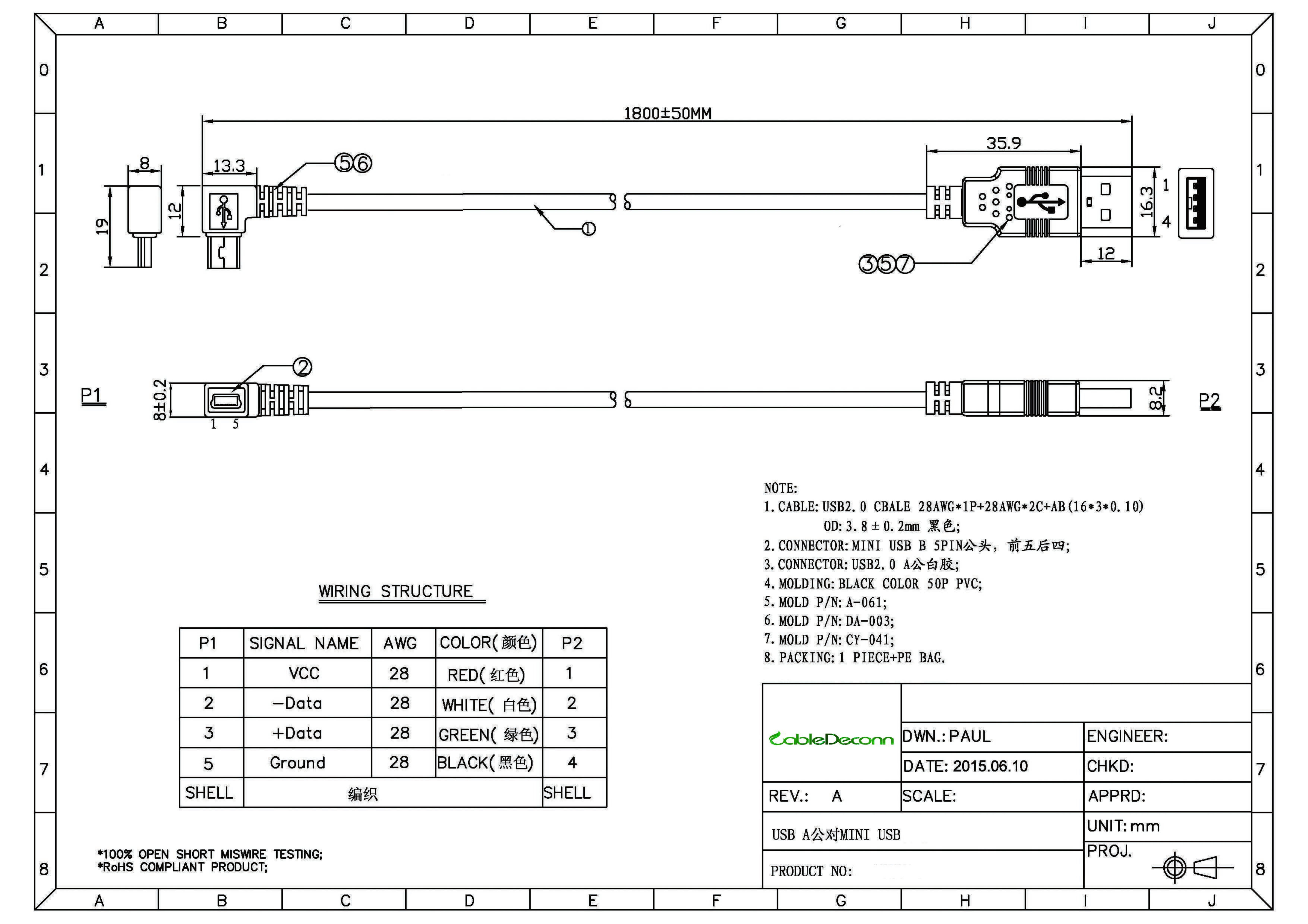
180CM USB A male to Mini USB B 5Pin Male Right Angle Adapter Data Charge Sync Cable
1
东莞市振德电子科技有限公司
D
e
c
o
n
n
I
n
t
e
r
n
a
t
i
o
n
a
l
L
i
m
i
t
e
d
.
M
0
2
0
6
1
Summary of content (1 pages)
PAGE 1
东莞市振德电子科技有限公司 Deconn I nt er nat i onal Li mi t ed. M0206