Owner's Manual
Manuals
Brands
Burnham Manuals
Atmospheric Boiler
Burnham Series 8H/8HE Boiler
61
62
63
64
65
66
67
68
69
70
67
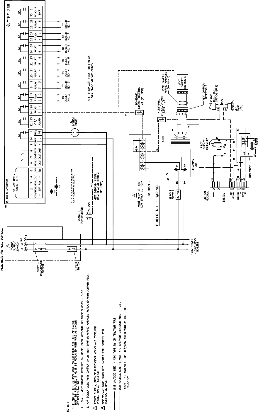
TEKMAR 268, EIGHT
-ST
AGE, EI, FOR P
ARALLEL PIPING
FIGURE 5-7
1
...
...
65
66
67
68
69
...
...
72