Owner's Manual
Manuals
Brands
Burnham Manuals
Atmospheric Boiler
Burnham Series 8H/8HE Boiler
61
62
63
64
65
66
67
68
69
70
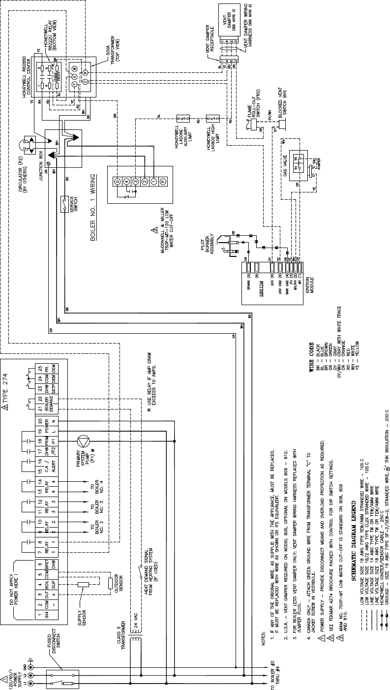
66
TEKMAR 274, FOUR-ST
AGE, EI, FOR PRIMAR
Y SECONDAR
Y PIPING
FIGURE 5-6
1
...
...
64
65
66
67
68
...
...
72