Owner's Manual
Manuals
Brands
Burnham Manuals
Domestic Appliances
8H/8HE
61
62
63
64
65
66
67
68
69
70
61
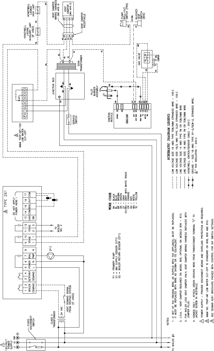
TEKMAR 261, TWO-ST
AGE, EI, FOR P
ARALLEL PIPING
FIGURE 5-1
1
...
...
59
60
61
62
63
...
...
72