Datasheet

11
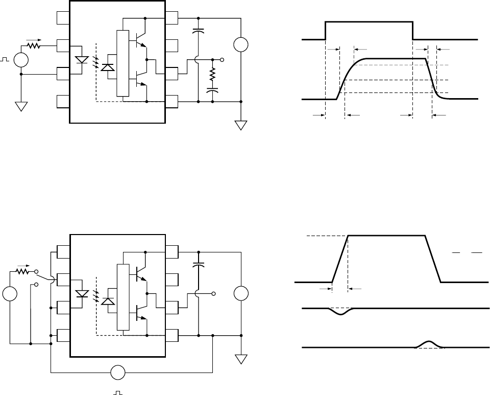
Figure 17. Propagation delay test circuit and waveforms.
Figure 18. CMR test circuit and waveforms.
0.1 µF
V
CC
= 15
to 30 V
47 Ω
1
3
I
F
= 7 to 16 mA
V
O
+
–
+
–
2
4
8
6
7
5
10 KHz
50% DUTY
CYCLE
500 Ω
3 nF
I
F
V
OUT
t
PHL
t
PLH
t
f
t
r
10%
50%
90%
0.1 µF
V
CC
= 30 V
1
3
I
F
V
O
+
–
+
–
2
4
8
6
7
5
A
+
–
B
V
CM
= 1500 V
5 V
V
CM
∆t
0 V
V
O
SWITCH AT B: I
F
= 0 mA
V
O
SWITCH AT A: I
F
= 10 mA
V
OL
V
OH
∆t
V
CM
δV
δt
=










