Datasheet

19
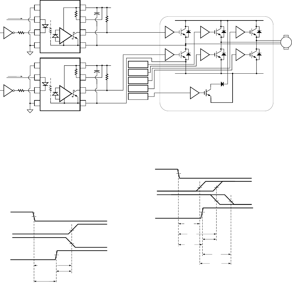
Figure 24. Typical application circuit.
Figure 26. Waveforms for dead time calculation.Figure 25. Minimum LED skew for zero dead time.
0.1 µF
20 kΩ
HCPL-4506 fig 28
CMOS
310 Ω
+5 V
V
OUT1
I
LED1
V
CC1
M
HCPL-4506
HCPL-4506
HCPL-4506
HCPL-4506
HCPL-4506
Q2
Q1
-HV
+HV
IPM
8
7
6
1
3
SHIELD
5
2
4
20 k
Ω
HCPL-4506
0.1 µF
20 kΩ
CMOS
310 Ω
+5 V
V
OUT2
I
LED2
V
CC2
8
7
6
1
3
SHIELD
5
2
4
20 k
Ω
HCPL-4506
HCPL-4506 fig 29
V
OUT1
V
OUT2
I
LED2
t
PLH MAX.
PDD* MAX. =
(t
PLH-
t
PHL
)
MAX. =
t
PLH MAX. -
t
PHL MIN.
t
PHL
MIN.
I
LED1
Q1 ON
Q2 OFF
Q1 OFF
Q2 ON
*PDD = PROPAGATION DELAY DIFFERENCE
NOTE: THE PROPAGATION DELAYS USED TO CALCULATE
PDD ARE TAKEN AT EQUAL TEMPERATURES.
HCPL-4506 fig 30
V
OUT1
V
OUT2
I
LED2
t
PLH
MIN.
MAXIMUM DEAD TIME (DUE TO OPTOCOUPLER)
= (t
PLH MAX.
-
t
PLH MIN.
)
+
(t
PHL MAX.
-
t
PHL MIN.
)
= (t
PLH MAX.
-
t
PHL MIN.
) -
(t
PLH MIN.
-
t
PHL MAX.
)
= PDD* MAX. - PDD* MIN.
t
PHL
MIN.
I
LED1
Q1 ON
Q2 OFF
Q1 OFF
Q2 ON
*PDD = PROPAGATION DELAY DIFFERENCE
t
PLH
MAX.
t
PHL
MAX.
PDD*
MAX.
MAX.
DEAD TIME
NOTE: THE PROPAGATION DELAYS USED TO CALCULATE THE MAXIMUM
DEAD TIME ARE TAKEN AT EQUAL TEMPERATURES.










