Datasheet

18
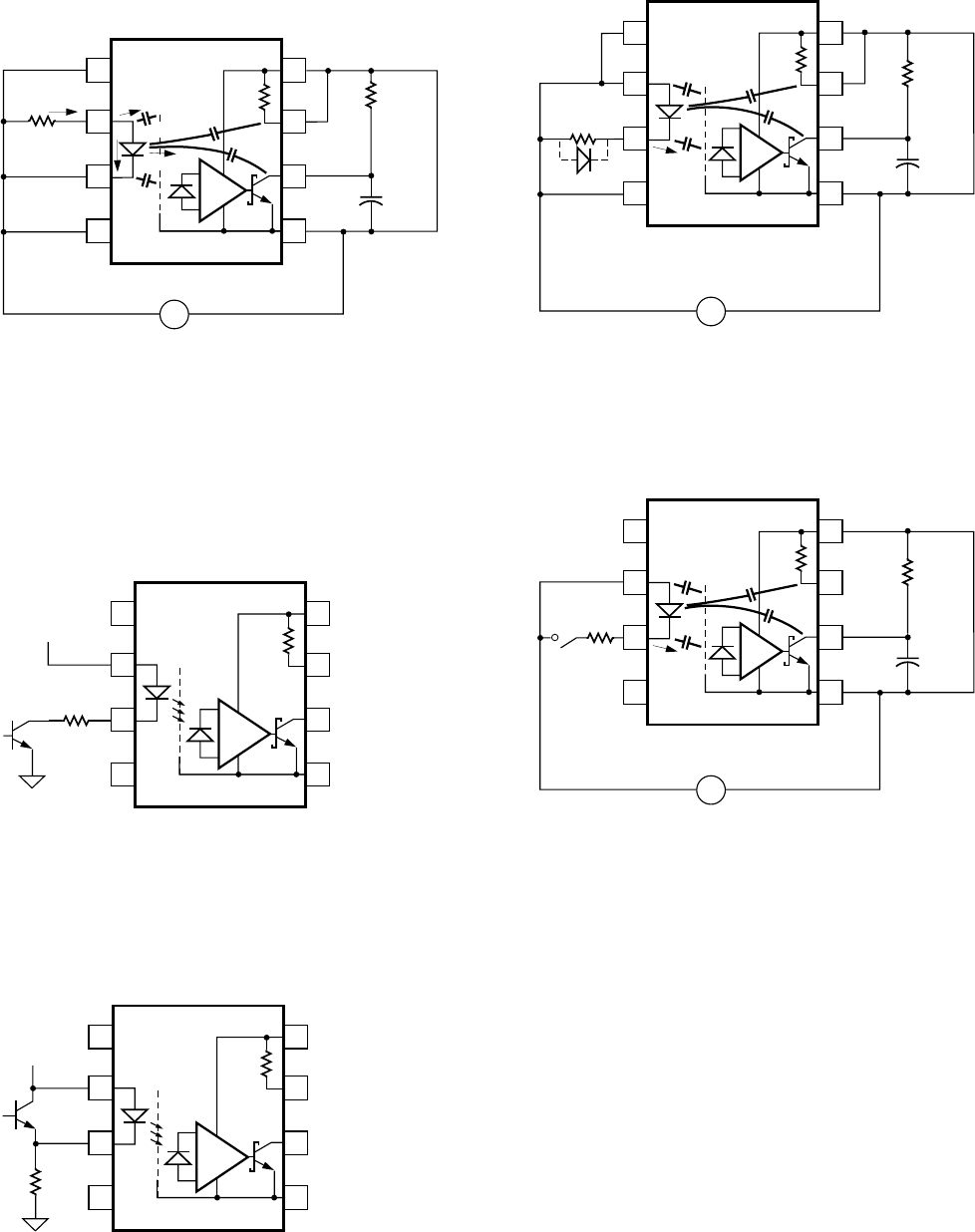
Figure 23. Recommended LED drive circuit for
ultra high CMR.
Figure 20. AC equivalent circuit for Figure 15 during common mode
transients.
Figure 19. AC equivalent circuit for Figure 18 during common mode
transients.
Figure 21. Not recommended open collector LED
drive circuit.
Figure 22. AC Equivalent circuit for Figure 21 during common mode
transients.
20 kΩ
HCPL-4506 fig 23-new
* THE ARROWS INDICATE THE DIRECTION OF CURRENT
FLOW FOR +dV
CM
/dt TRANSIENTS.
310 Ω
V
OUT
100 pF
+
–
I
TOTAL*
V
CM
8
7
6
1
3
SHIELD
5
2
4
20
kΩ
C
LEDN
C
LED01
C
LED02
I
CLEDP
I
F
C
LEDP
I
CLED01
20 kΩ
HCPL-4506 fig 24-new
* THE ARROWS INDICATE THE DIRECTION OF CURRENT
FLOW FOR +dV
CM
/dt TRANSIENTS.
** OPTIONAL CLAMPING DIODE FOR IMPROVED CMH
PERFORMANCE. V
R
< V
F (OFF)
DURING +dV
CM
/dt.
V
OUT
100 pF
+
–
V
CM
8
7
6
1
3
SHIELD
5
2
4
20
kΩ
C
LEDP
C
LEDN
C
LED01
C
LED02
I
CLEDN*
310 Ω
+ V
R
** –
HCPL-4506 fig 25-new
Q1
+5 V
8
7
6
1
3
SHIELD
5
2
4
20 kΩ
20 kΩ
HCPL-4506 fig 26-new
* THE ARROWS INDICATE THE DIRECTION OF CURRENT
FLOW FOR +dV
CM
/dt TRANSIENTS.
V
OUT
100 pF
+
–
V
CM
8
7
6
1
3
SHIELD
5
2
4
20
kΩ
C
LEDP
C
LEDN
C
LED01
C
LED02
I
CLEDN*
Q1
HCPL-4506 fig 27
+5 V
8
7
6
1
3
SHIELD
5
2
4
20 kΩ










