Datasheet

4
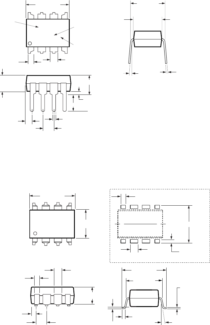
Package Outline Drawings
HCPL-J454 Outline Drawing
HCPL-J454 Gull Wing Surface Mount Option 300 Outline Drawing
1.080 ± 0.320
(0.043 ± 0.013)
2.54 ± 0.25
(0.100 ± 0.010)
0.51 (0.020) MIN.
0.65 (0.025) MAX.
4.70 (0.185) MAX.
2.92 (0.115) MIN.
5 TYP.
0.254
+ 0.076
- 0.051
(0.010
+ 0.003)
- 0.002)
7.62 ± 0.25
(0.300 ± 0.010)
6.35 ± 0.25
(0.250 ± 0.010)
9.80 ± 0.25
(0.386 ± 0.010)
1.78 (0.070) MAX.
1.19 (0.047) MAX.
A XXXX
YYWW
DATE CODE
DIMENSIONS IN MILLIMETERS AND (INCHES).
5678
4321
UL
RECOGNITION
UR
TYPE NUMBER
OPTION NUMBERS 300 AND 500 NOT MARKED.
NOTE: FLOATING LEAD PROTRUSION IS 0.5 mm (20 mils) MAX.
3.56 ± 0.13
(0.140 ± 0.005)
0.635 ± 0.25
(0.025 ± 0.010)
12° NOM.
9.65 ± 0.25
(0.380 ± 0.010)
0.635 ± 0.130
(0.025 ± 0.005)
7.62 ± 0.25
(0.300 ± 0.010)
5
6
7
8
4
3
2
1
9.80 ± 0.25
(0.386 ± 0.010)
6.350 ± 0.25
(0.250 ± 0.010)
1.016 (0.040)
1.27 (0.050)
10.9 (0.430)
2.0 (0.080)
LAND PATTERN RECOMMENDATION
1.080 ± 0.320
(0.043 ± 0.013)
1.780
(0.070)
MAX.
1.19
(0.047)
MAX.
2.54
(0.100)
BSC
DIMENSIONS IN MILLIMETERS (INCHES).
LEAD COPLANARITY = 0.10 mm (0.004 INCHES).
0.254
+ 0.076
- 0.051
(0.010
+ 0.003)
- 0.002)
NOTE: FLOATING LEAD PROTRUSION IS 0.5 mm (20 mils) MAX.
3.56 ± 0.13
(0.140 ± 0.005)










