Datasheet

17
Figure 15. Thermal derating curve, dependence of safety limiting valve with case temperature per
IEC/EN/DIN EN 60747-5-2.
HCPL-4504 fig 15a
OUTPUT POWER – P
S
, INPUT CURRENT – I
S
0
0
T
S
– CASE TEMPERATURE – °C
20050
400
12525 75 100 150
600
800
200
100
300
500
700
HCPL-4504 OPTION 060/HCPL-J454
175
(230)
P
S
(mW)
I
S
(mA) for HCPL-4504
OPTION 060
I
S
(mA) for HCPL-J454
OUTPUT POWER – P
S
, INPUT CURRENT – I
S
0
0
T
S
– CASE TEMPERATURE – °C
175
HCPL-4504 fig 15b
1000
50
400
12525 75 100 150
600
800
200
100
300
500
700
900
HCPL-0454 OPTION 060/HCNW4504
P
S
(mW) for HCNW4504
I
S
(mA) for HCNW4504
P
S
(mW) for HCPL-0454
OPTION 060
I
S
(mA) for HCPL-0454
OPTION 060
(150)
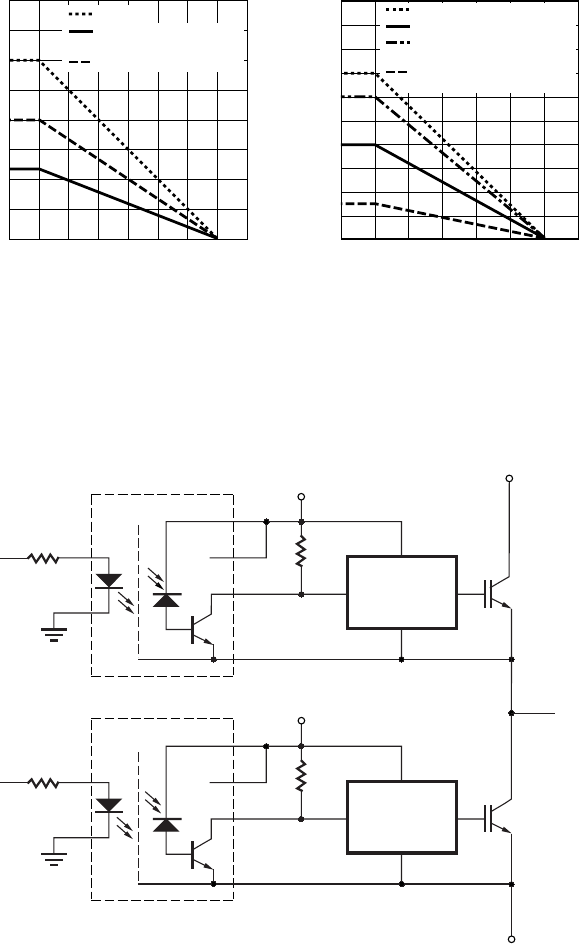
Figure 16. Typical power inverter.
BASE/GATE
DRIVE CIRCUIT
HCPL-4504/0454/J454
HCNW4504
2
3
8
7
6
5
+HV
Q1
LED 1
OUT 1
BASE/GATE
DRIVE CIRCUIT
2
3
8
7
6
5
–HV
Q2
LED 2
OUT 2
HCPL-4504 fig 16
+
+
HCPL-4504/0454/J454
HCNW4504










