Datasheet

20
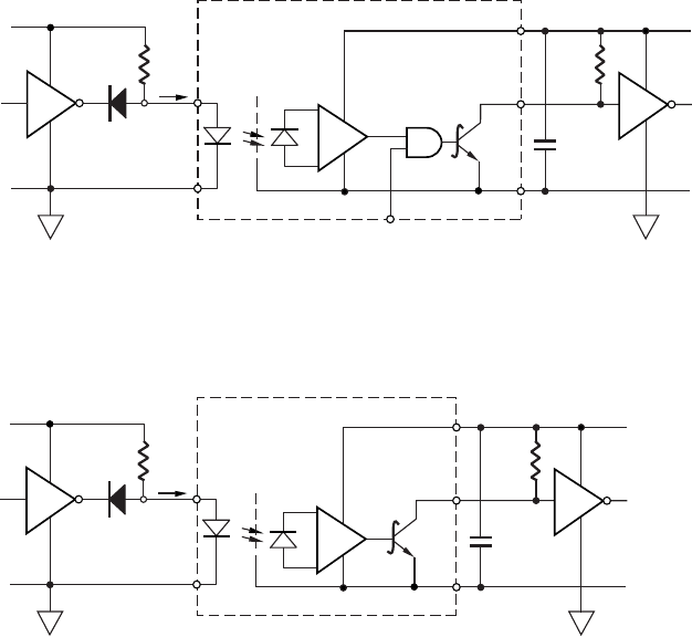
6N137 fig 18b
V
CC1
5 V
GND 1
D1*
SHIELD
DUAL CHANNEL DEVICE
CHANNEL 1 SHOWN
8
7
5
390 Ω
0.1 µF
BYPASS
1
2
+
–
5 V
GND 2
V
CC2
2
470 Ω
1
I
F
V
F
6N137 fig 18a
*DIODE D1 (1N916 OR EQUIVALENT) IS NOT REQUIRED FOR UNITS WITH OPEN COLLECTOR OUTPUT.
V
CC1
5 V
GND 1
D1*
I
F
V
F
SHIELD
SINGLE CHANNEL DEVICE
8
6
5
390 Ω
0.1 µF
BYPASS
2
3
+
–
5 V
GND 2
V
CC2
2
470 Ω
1
7
V
E
Figure 18. Recommended TTL/LSTTL to TTL/LSTTL interface circuit.










