Datasheet

18
OUTPUT V
MONITORING
NODE
O
1.5 V
t
EHL
t
ELH
V
E
INPUT
O
V
OUTPUT
3.0 V
1.5 V
+5 V
7
5
6
8
2
3
4
1
PULSE GEN.
Z = 50 Ω
t = t = 5 ns
O
f
I
F
L
R
CC
V
0.1 µF
BYPASS
*C
L
*C IS APPROXIMATELY 15 pF WHICH INCLUDES
PROBE AND STRAY WIRING CAPACITANCE.
L
GND
r
7.5 mA
INPUT V
E
MONITORING NODE
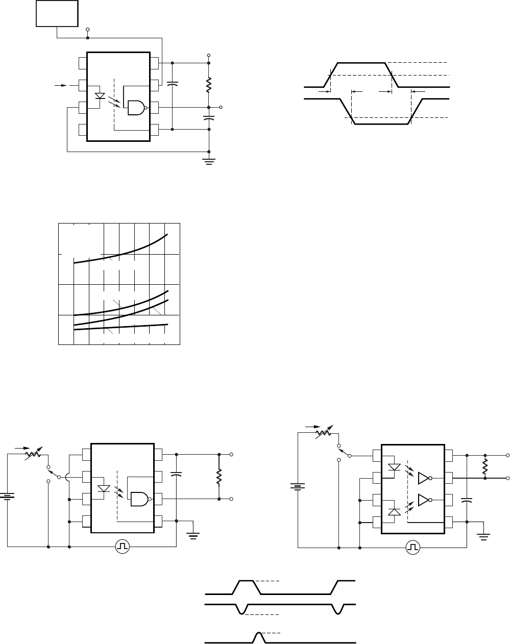
6N137 fig 13
Figure 13. Test circuit for t
EHL
and t
ELH
.
Figure 14. Typical enable propagation delay vs.
temperature.
Figure 15. Test circuit for common mode transient immunity and typical waveforms.
6N137 fig 15c
V
O
0.5 V
O
V (MIN.)
5 V
0 V
SWITCH AT A: I = 0 mA
F
SWITCH AT B: I = 7.5 mA
F
CM
V
H
CM
CM
L
O
V (MAX.)
CM
V (PEAK)
V
O
t
E
– ENABLE PROPAGATION DELAY – ns
-60
0
T
A
– TEMPERATURE – °C
100
90
6N137 fig 14
120
-20
30
20 60-40 0 40 80
60
V
CC
= 5.0 V
V
EH
= 3.0 V
V
EL
= 0 V
I
F
= 7.5 mA
t
ELH
, R
L
= 4 kΩ
t
ELH
, R
L
= 1 kΩ
t
EHL
, R
L
= 350 Ω, 1 kΩ, 4 kΩ
t
ELH
, R
L
= 350 Ω
6N137 fig 15a
+5 V
7
5
6
8
2
3
4
1
CC
V
0.1 µF
BYPASS
GND
OUTPUT V
MONITORING
NODE
O
PULSE
GENERATOR
Z = 50 Ω
O
+
I
F
B
A
V
FF
CM
V
–
R
L
SINGLE CHANNEL
6N137 fig 15b
+5 V
7
5
6
8
2
3
4
1
CC
V
0.1 µF
BYPASS
GND
OUTPUT V
MONITORING
NODE
O
PULSE
GENERATOR
Z = 50 Ω
O
+
I
F
B
A
V
FF
CM
V
–
R
L
DUAL CHANNEL