Datasheet

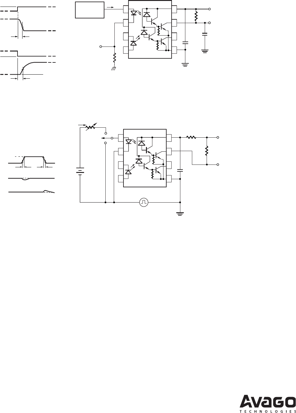
Figure 10. Test circuit for transient immunity and typical waveforms.
Figure 9. Switching test circuit.
HCPL-2730 Figure 9
V
O
PULSE GEN.
Z = 50
t = 5 ns
O
r
I MONITOR
F
I
F
0.1µF
L
R
+5 V
C = 15 pF
L
R
M
7
5
6
8
2
3
4
1
1.5 V
5 V
t
PHL
O
V
I
F
OL
V
0
5 V
t
PLH
1.5 V
OL
V
O
V
I
F
HCPL-2730 Figure 10
V
O
I
F
0.1 µF
L
R
+5 V
A
B
PULSE GEN.
V
CM
+
–
V
FF
CC
R (SEE NOTE 7)
110
O
V
5 V
OL
V
O
V
10 V
0 V
10%
90% 90%
10%
SWITCH AT A: I = 0 mA
F
SWITCH AT B: I = 1.6 mA
F
CM
V
t
r
t
f
t , t = 16 ns
r f
7
5
6
8
2
3
4
1
For product information and a complete list of distributors, please go to our website: www.avagotech.com
Avago, Avago Technologies, and the A logo are trademarks of Avago Technologies Limited in the United States and other countries.
Data subject to change. Copyright © 2007 Avago Technologies Limited. All rights reserved. Obsoletes 5989-2105EN
AV01-0546EN July 17, 2007
13










