Installation Instructions

28 Allure Rev. F juni 2013
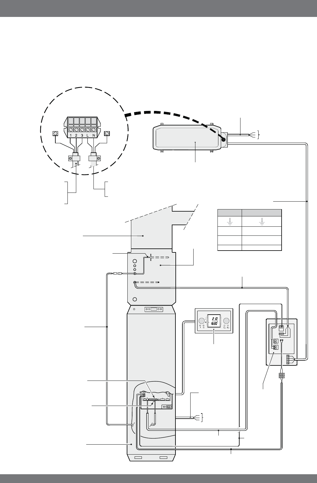
5.7.12 Aansluiten koeling
Wanneer het Allure toestel wordt voorzien van koeling moeten
de stuurdraden voor de condensingunit worden aangesloten
op nr.1 en nr.2 van de 2-polige installateurs connector X5 van
de besturingsunit. Er wordt uitgebreider ingegaan op de Allure-
serie met koeling in het installatievoorschrift Allure met koe-
ling.
Voor de koeling kan een aparte luchthoeveelheid worden inge-
steld (zie § 7.4).
Hoofdstuk 5 Installeren
CN5
CN6
CN4
5
X21
X4
VOEDINGSKABEL
CONDENSINGUNIT
3-ADERIG
CONDENSINGUNIT
TYPE AOHA
VOEDINGSKABEL
CONDENSINGUNIT
ELEKTR. AANSLUITEN
CONDENSINGUNIT
VERBINDINGS-
KABEL NAAR
INTERFACE
KOELBLOK
WARMELUCHTKAST
KABEL VANAF
TEMP. VOELER
INTER-
FACE
CONDEN-
SINGUNIT
RUIMTE-
THERMOSTAAT
2-ADERIGE KABEL
(Aansluiten op X21-3 & X21-4)
VOEDING-
KABEL
ALLURE
3-ADERIG
ALLURE
LUCHTVERWARMER
(UPFLOW UITV.)
NAAR AANSLUITING
LUCHTTEMP.VOELER
BESTURINGSUNIT
KABEL VANAF
LUCHTTEMP.VOELER
(Aansluiten op X4-9 & X4-10)
LUCHTTEMPERATUURVOELER
YRRUJHPRQWHHUGELM8SÀRZNRHOEORN
(bereikbaar na demontage voorpaneel)
VERBINDINGSKABEL
4-aderig (230V.)
230V 50Hz
230V 50Hz
2-ADERIGE KABEL
(Aansluiten op X5-1 & X5-2)
Interface Condensingunit
L1
N2
S3
DRAAD
(Aansluiten op
X21-1 )
AANSLUITING T.B.V.
BUITENTEMPERATUUR
SENSOR (x4-7 & x4-8)










