Operator`s manual

30
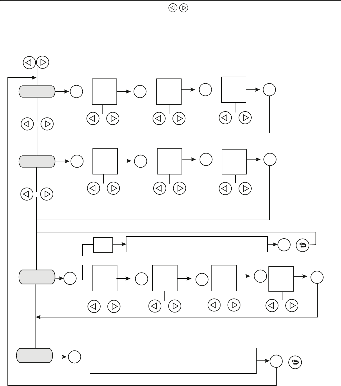
NOTE: Date and Time were set at the factory and stored in the control panel memory. The Exercise Cycle was
also set at the factory. The default exercise cycle occurs on Tuesdays, at 2:00 P.M. Central Standard Time.
To updated or change these settings, follow the steps below.
IF DURING PROGRAMMING NO BUTTONS ARE PRESSED FOR 30 SECONDS,
THE CONTROL PANEL WILL AUTOMATICALLY EXIT THE PROGRAM MODE.
SET DATE
ok
MONTH
FLASHING
ok
ok ok
or or
or
DAY##
FLASHING
YEAR
FLASHING
SET TIME
ok
HOURS
FLASHING
ok
ok ok
or or
MIN
FLASHING
SET EXERCISE
CYCLE
ok
or
AM/PM
FLASHING
HOURS
FLASHING
ok
or
ok
or
MIN
FLASHING
ok
DAY OF WEEK
FLASHING
or
AM/PM
FLASHING
ok
or
or
or
EVENT
LOG
ok
Display will scroll last service code event, date, time, and
temperature of when the event occured.
ok
or
OFF
If set to OFF, display will read: EXERCISE CYCLE OFF
ok
or
or
General Set Up Screen
For general set up, press and hold the left arrow and right arrow for 3 seconds. Follow the prompts as outlined below.
ok
ok
ok
NOT
for
REPRODUCTION










