User Manual

Bradley Corporation • 215-711 Rev. D; EN 00-555
2
Installation Instructions
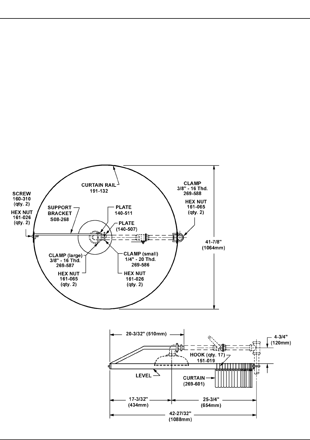
1. Overlap rails and attach to the support bracket with the two screws and nuts provided (Figure 1).
2. Clamp the assembly made in Step 1 to the piping on the drench shower with the clamps and
plates provided (see Figure 2).
3. The large clamp clamps onto the tee or elbow. The small clamp clamps on to the pipe 3/4" from
the end of the bracket (Figure 1).
4. Bend in and overlap the curtain rails.
5. Clamp the curtain rails to the upright pipe using the clamp and plate provided (see Figures 1 and 2).
6. Make sure the curtain rail is level with the drench shower.
7. After the railing is installed, install hooks onto the curtain rail and hang the curtain.
Figure 1
Figure 2
Bradley Modesty Curtain for Drench Showers
Model No. S19-330 Installation Instructions




