User guide
Manuals
Brands
Bradford White Manuals
Water boiler
TW4-75S-76B-3X
31
32
33
34
35
36
37
38
39
40
31
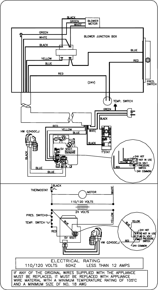
Electrical Connections
(Figure 11) continued-
Figure 11
Internet Version for Reference Only
1
...
...
29
30
31
32
33
...
...
44