User guide

13
EcoStor2™ Solar
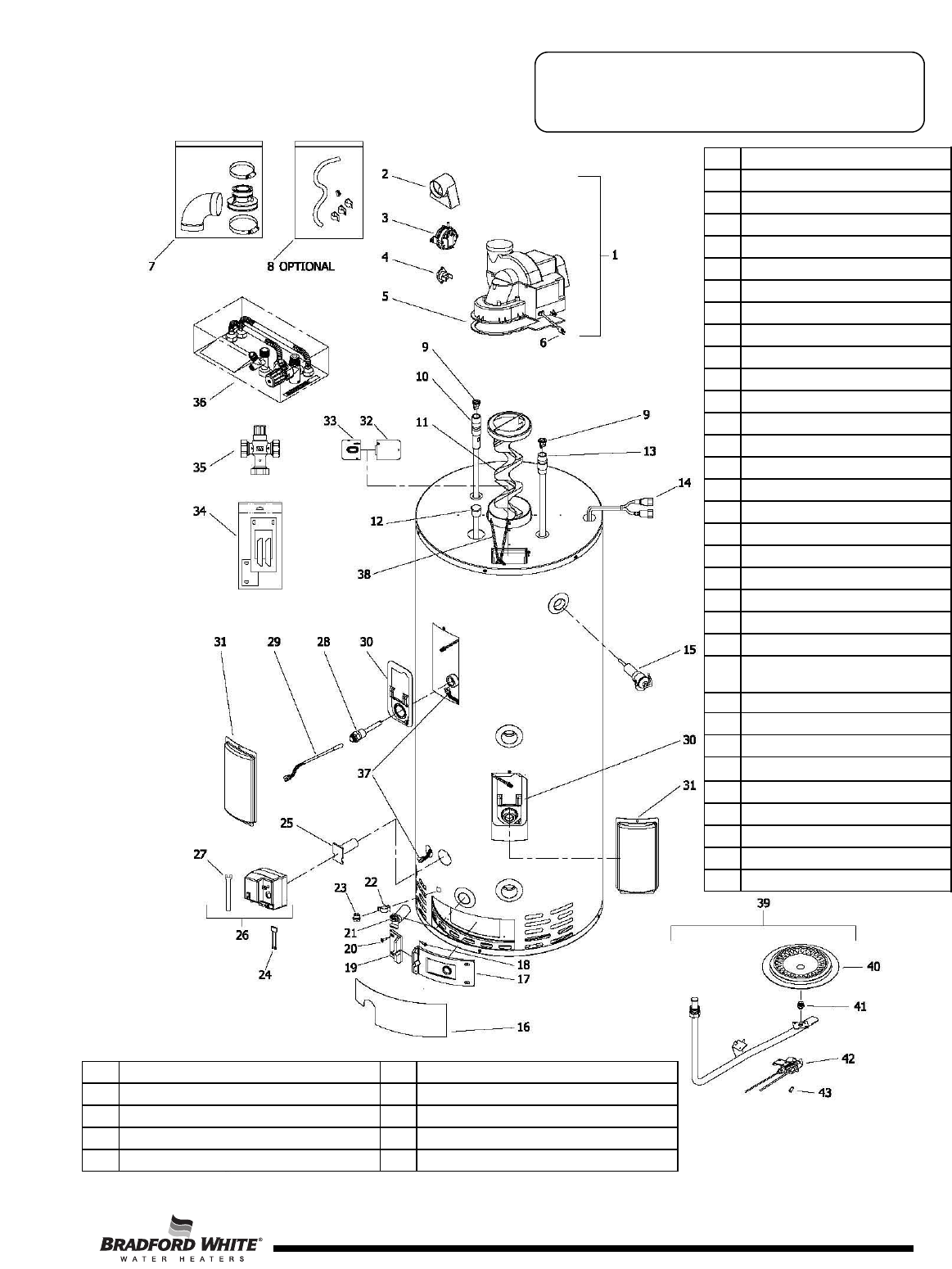
Solar Thermal Parts List
(TTW)
34 Inner Door Gasket Kit
35 ASSE Approved Mixing Valve (Optional)
36 Universal Integrated Mixing Device Kit (IMD)
37 Thermostat Sensor Wire Harness
38 Solar Sensor Wire Harness
1 Blower Complete
2 Air Mixing Inlet
3 Pressure Switch
4 Blower Temperature Switch
5 Blower Gasket
6
Blower Power Cord
7 3" Exhaust Adaptor w/Vent Terminal
8 Condensate Hose Kit (Optional)
9 Heat Trap Insert
10 Hot Water Outlet Aluminum
11 Flue Baffle
12 Hex Head Anode Aluminum
13 Cold Water Inlet
14 Safety Circuit Wire Harness
15 T&P Relief Valve
16 Outer Door
17 Right Side Inner Door Complete
18 Screw-#8-18 x 3/4 HWH
19 Left Side Inner Door Complete
20 Screw-#10-12 x 3/4 HWH
21 Brass Drain Valve
22 Flammable Vapor Sensor Clip
23 Flammable Vapor Sensor
24
Flammable Vapor Sensor Harness/
Simulated Resistive Device
25 Control Bracket
26 Gas Valve Natural Gas
27 Gas Valve Service Tool
28 Temperature Sensor Well
29 Temperature Sensor
30 Solar Sensor Bracket Assembly
31 Access Cover
32 Cover Junction Box
33 Cover Conduit/Ground
39 Burner Assembly Complete
40 Burner
41 Main Burner Orifice
42 Pilot Assembly
43 Pilot Orifice
13