Installation / Operation Instruction Manual

21
Installation (Venting (Part II)) continued-
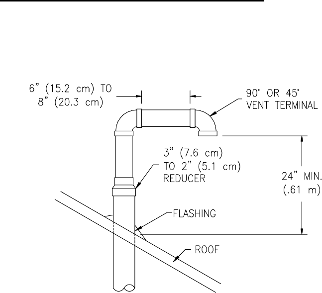
THROUGH THE ROOF VENTING: (VERTICAL VENTING)
Cut the necessary holes through the roof and ceiling and install the vent
connector as shown in Figure 9. Make sure that the installation meets the local
codes and/or The National Fuel Gas Code ANSI Z223.1 (Latest Edition) or
CGA/CAN B149 Installation Code.
Figure 9
Internet Version for Reference Only