Installation / Operation Instruction Manual

20
Installation (Venting (Part II)) continued-
Figure 7
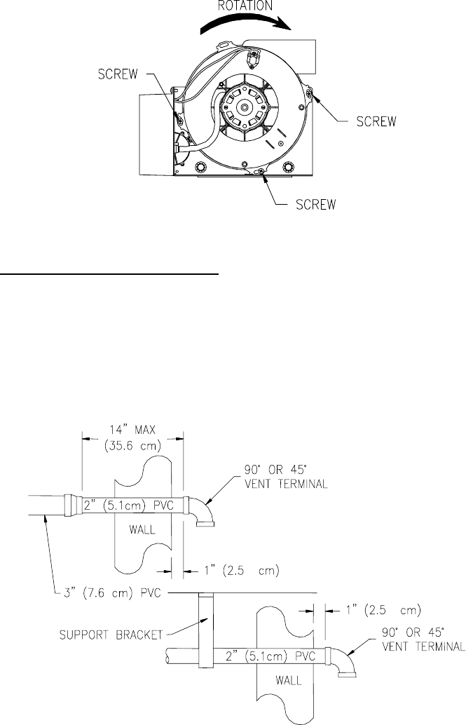
THROUGH THE WALL VENTING:
Cut a 2 1/2 in. (6.4 cm) diameter hole in the wall at the point where the vent
connector is going to pass through the wall. Use the proper cement to secure
the 45° vent terminal provided with the water heater to the vent connector. The
distance between the edge of the 45° vent terminal and the exterior wall (see
Figure 8) must be at least 1 in. (2.5 cm). Use the proper cement and assembly
procedures to secure the vent connector joints between the terminal and the
blower outlet. Provide support brackets for every 3 feet (.91 m) of horizontal
vent.
Figure 8
Internet Version for Reference Only