Manual

19
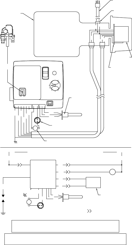
Wiring Diagram
R
B
W
B
115 VOLTS 60HZ LESS THAN 12 AMPS
IF ANY OF THE ORIGINAL WIRES SUPPLIED WITH THE APPLIANCE MUST BE
REPLACED, IT MUST BE REPLACED WITH APPLIANCE WIRE MATERIAL WITH A
MINIMUM TEMPERATURE RATING OF 105°C AND A MINIMUM SIZE OF NO. 18 AWG.
ELECTRICAL RATING
HOT
LOW
HOT
VERY
A
C
B
Honeywell
W
PILOT
GN
Y
FLAMMABLE
VAPOR SENSOR
22
33
11
M
44
55
CONTROL
FLAMMABLE
B
B
DAMPER
W
BK W
IGNITER
VAPOR SENSOR
WATER TEMPERATURE
SENSOR
R
Y
W
B
B
B
B
B
B
GN
B
= MOLEX
115 VOLTS 60HZ SINGLE PHASE POWER SUPPLY
THERMAL
SWITCH
RESETTABLE
WATER
TEMPERATURE
SENSOR
RESETTABLE
THERMAL SWITCH
DAMPER
CIRCUIT
BOARD
DAMPER
PLUG
DAMPER
HOUSING
BUSHING
DAMPER
CIRCUIT
BOARD
FLEXIBLE
LINE CORD
(MOUNTED ON TOP
OF WATER HEATER)
DAMPER
MOTOR
GN
W
B
R
Y
B