Manual

10
Minimum Clearances
WARNING
Failure to adhere to these installation and operating instructions may create a
hazard to life and property and will nullify the warranty.
This installation MUST allow access to the front of the water heater and
adequate clearance must be provided for servicing and operating this water
heater. The water heater may be installed on either a combustible or non-
combustible floor. If the water heater is to be installed directly on carpeting, it
must be installed on top of a metal or wood panel (or equivalent) extending
beyond the full width and depth of the water heater by at least 3 in. (7.6 cm) in
any direction or, if the appliance is to be installed in an alcove or closet, the
entire floor must be covered by the panel. If the rating plate or the label on the
front of the heater specifies minimum clearances less than those listed in the
below table, the water heater must be installed in accordance with the
minimum clearances listed on the rating plate or the label on the front of the
heater. Increase distances to provide clearance for servicing.
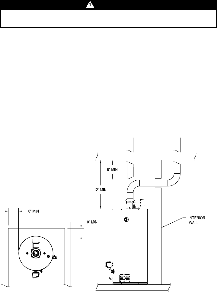
If it is necessary to install this water heater in an alcove, use the clearances
listed in Figure 2.
Figure 2. Minimum Clearances for an Alcove Installation.