Communications nstallation and Use Manual Power Vector Amplifiers V35, V60, V100, V150, V250
Manuals
Brands
Bogen Manuals
Amplifier
V100
7
8
9
10
11
12
13
14
15
16
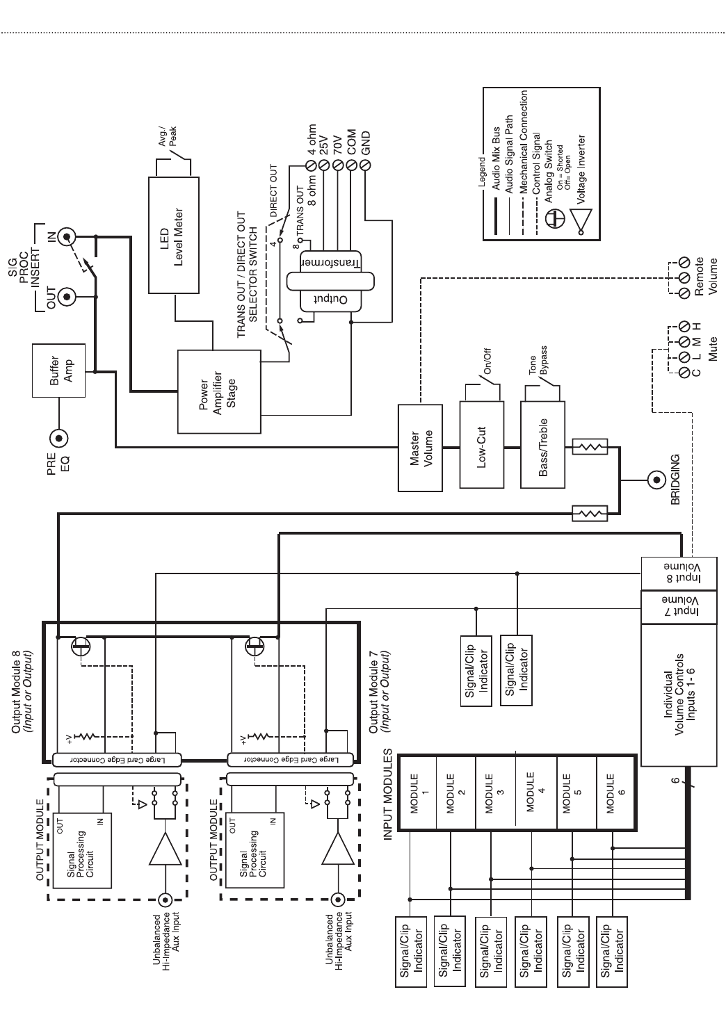
Block Dia
gram
11
1
...
...
11
12
13
14
15
...
16