Manual

IN SELECTING THE PROPER HEIGHT TO MOUNT THE HOOD, TAKE INTO CONSIDERATION
THE STATURE OF THE PERSON OR PERSONS WHO WILL BE COOKING. A HEIGHT OF 30",
MINIMUM HEIGHT OFF OF COOKING SURFACE, TO 36" MAXIMUM HEIGHT OFF OF THE
COOKING SURFACE, WILL SUIT MOST USERS. IF MOUNTED AT A HEIGHT GREATER THAN
36" ABOVE THE COOKING SURFACE, THE HOOD SHOULD BE AT LEAST 6" WIDER THAN
THE COOKING APPLIANCE TO PROVIDE A PROPER CAPTURE OF HEAT AND GREASE.
(REFER TO THE RANGE MANUFACTURER'S GUIDELINES). ONCE THE PROPER HEIGHT IS
ESTABLISHED, DRAW A LEVEL LINE WHERE THE BOTTOM OF THE HOOD WILL REST. IF
PRACTICAL, MOUNT A BOARD EQUAL TO THE WIDTH OF THE HOOD ALONG THE LINE SO
YOU MAY REST THE HOOD ON IT WHILE INSTALLING. MARK A CENTER LINE ON THE
WALL EQUAL TO THE ENTIRE HEIGHT OF THE HOOD TO ASSIST WITH THE PROPER DUCT
ALIGNMENT AND HOOD PLACEMENT. DETERMINE STUD LOCATION AND MARK IT
CLEARLY. BECAUSE OF THE WEIGHT OF THE HOOD MAKE SURE THAT THE MOUNTING
SCREWS ARE DRIVEN INTO THE FRAMING AND NOT JUST THE DRYWALL. IT MAY BE
NECESSARY TO DRILL ADDITIONAL HOLES INTO THE CANOPY FOR PROPER ALIGNMENT.
IF ONLY ONE STUD CAN BE LOCATED, TOGGLE BOLTS OR ADDITIONAL FASTENING MUST
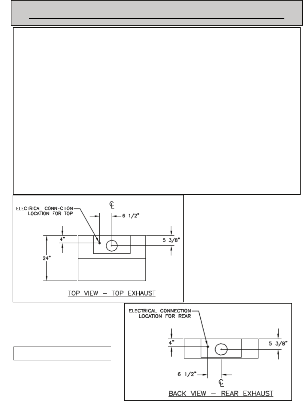
BE INSTALLED TO FIRMLY SECURE THE HOOD TO THE WALL. INSTALL A 115 VOLT 15
AMP ELECTRICAL LEAD IN THE HOLE MARKED ON THE ROUGH-IN DIAGRAM. SEE FIG-
GURE A. VERIFY THAT THE DUCTING IS IN THE CORRECT LOCATION FOR YOUR APPLICA-
TION.
SITE PREPARATION FOR LOW PROFILE SERIES HOOD
FIGURE A
P/N 750306 Page 24










