Manual

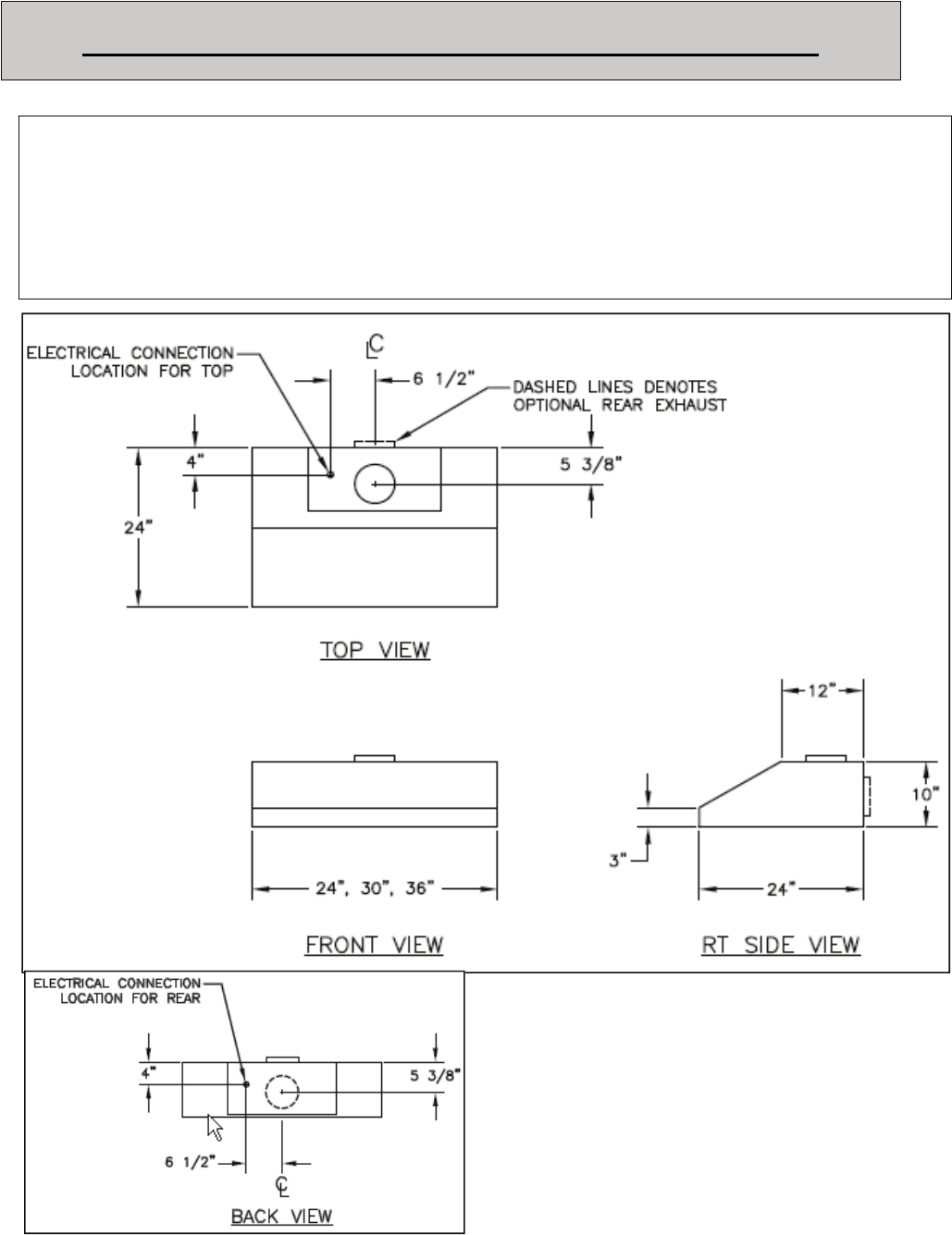
DIMENSIONS OF THE LOW PROFILE SERIES HOOD
INLET LOCATION FOR THE ELECTRICAL CONNECTION IS LOCATED ON TOP FOR STANDARD
TOP EXHAUST AND ON REAR FOR OPTIONAL REAR EXHAUST. (SEE DETAIL BELOW)
ELECTRICAL REQUIREMENTS: 15 AMPS AT 120 VOLTS
LIGHT BULBS ARE HALOGEN G9, 120V, 25W
BULBS ARE OPERATED BY A DIMMER SWITCH
BLOWER IS VARIABLE SPEED
P/N 750306 Page 23










