Industries -Wells Bloomfield Coffeemaker User Manual
Manuals
Brands
Bloomfield Manuals
Coffee Maker
SS2 9220
17
18
19
20
21
22
23
24
25
26
22
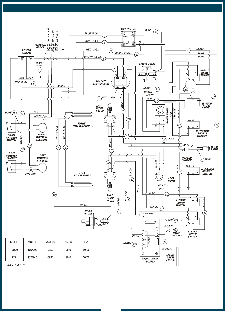
WIRING DIAGRAM
671 76601 Owners Manual 9221 Dual Satellite Brewer
1
...
...
22
23
24
25
26