Specifications
Manuals
Brands
Bloomfield Manuals
Coffee Maker
MOD-100T
21
22
23
24
25
26
27
28
29
30
22
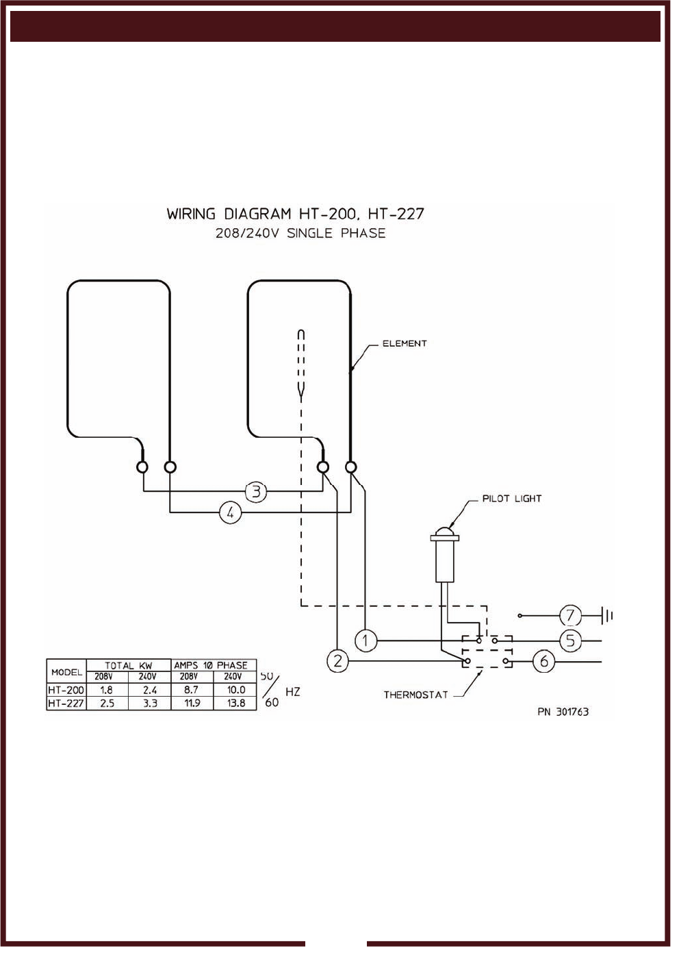
WIRING DIAGRAM
M021A 2M-308085
Owners Manual for Built-In Bain Marie
W
armers
HT-200 and HT-227
1
...
...
22
23
24
25
26
...
...
32